Nissan Sentra Service Manual: Front stabilizer
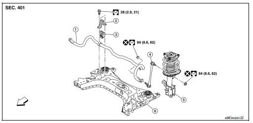
Exploded View

- Stabilizer bar
- Stabilizer clamp
- Stabilizer bushing
- Stabilizer connecting rod
- Front coil spring and strut
- Front suspension member
Front
Removal and Installation
REMOVAL
- Remove the wheel and tire using power tool. Refer to WT-47, "Exploded
View".
- Remove the nut and disconnect the stabilizer connecting rod from the
stabilizer bar.
- Remove the front suspension member. Refer to FSU-16, "Removal and
Installation".
- Remove the stabilizer clamp bolts (
).
- Remove the stabilizer clamps.
- Remove the stabilizer bushings.
- Remove the stabilizer bar.
- Inspect the components. Refer to FSU-13, "Inspection".

INSTALLATION
Installation is in the reverse order of removal.
- Install the stabilizer bushing with the slit (B) facing toward the front
of the vehicle (
).
- Install the stabilizer clamp with oblong hole (A) facing toward the
front of the vehicle (
).

- Install the stabilizer clamp bolts in the order of 1 to 5 as shown.
Manual tightening : 1
Temporary tightening : 2 → 3
Final tightening (Specified torque) : 4 → 5
: Front

- To connect the stabilizer connecting rod (1), tighten the nut while
holding the hexagonal part (A) on the stabilizer connecting rod.
CAUTION:
Do not reuse stabilizer connecting rod nuts.

- Perform the final tightening of the nuts and bolts under unladen
conditions with the tires on level ground.
- Complete the inspection. Refer to FSU-13, "Inspection".
Inspection
INSPECTION AFTER REMOVAL
Check the stabilizer bar, the stabilizer connecting rods, the stabilizer
bushings, and the stabilizer clamps for
deformation, cracks or damage. Replace components if necessary.
INSPECTION AFTER INSTALLATION
- Check the neutral position of the steering angle sensor. Refer to
BRC-54, "Work Procedure".
- Check the wheel alignment. Refer to FSU-6, "Inspection".
Exploded View
Upper link
Front suspension member
Transverse link
Front
Removal and Installation
REMOVAL
Remove the wheel and tire using power tool. Refer to WT-47, "Explode ...
Exploded View
Steering knuckle
Splash guard
Wheel stud
Wheel hub and bearing
Disc brake rotor
Wheel hub lock nut
Nut retainer
Cotter pin
Removal and Installation
REMOVAL
...
Other materials:
Diagnosis and repair work flow
Work Flow
NOTE:
The Signal Tech II Tool (J-50190) can be used to perform the following
functions. Refer to the Signal Tech II
User Guide for additional information.
Activate and display TPMS transmitter IDs
Display tire pressure reported by the TPMS transmitter
Read TPMS DTCs
Register ...
Dtc/circuit diagnosis
U1000 can comm
Description
Refer to LAN-7, "CAN COMMUNICATION SYSTEM : System Description".
Dtc logic
Dtc detection logic
Note:
U1000 can be set if a module harness was disconnected and reconnected,
perhaps during a repair. Confirm
that there are actual can diagnostic symptoms and ...
Component parts
Component Parts Location
BCM (view with instrument panel removed)
Remote keyless entry receiver (view
with instrument panel removed)
Transmitter
Combination meter
Component Description
BCM
The BCM reads the tire pressure signal received by the remote keyless entry
receiver ...
В© 2014-2026 Copyright b17.nisentra.com