Nissan Sentra Service Manual: Unit disassembly and assembly
TRANSAXLE ASSEMBLY
Exploded View
CASE AND HOUSING

- Filler plug
- Gasket
- Transaxle case
- Bushing
- Snap ring
- Oil channel
- Oil gutter
- Position switch
- Bracket
- Differential side oil seal
- Magnet
- Drain plug
- Input shaft oil seal
- Clutch housing
- 2 way connector
- Plug
- Pinion shaft
- Pinion gear
Shaft and gear

- Input shaft front bearing
- Input shaft
- 3rd input gear
- Spacer
- Snap ring
- 3rd baulk ring
- 3rd-4th coupling sleeve
- 3rd-4th synchronizer hub
- Insert key
- 4th baulk ring
- 4th input gear
- 5th input gear
- 5th baulk ring
- 5th-6th coupling sleeve
- 5th-6th synchronizer hub
- 6th baulk ring
- Needle bearing
- 6th input gear
- Input shaft rear bearing
- First step
- Final step

- Mainshaft front bearing outer race
- Mainshaft front bearing inner race
- Mainshaft
- 1st main gear
- 1st inner baulk ring
- 1st synchronizer cone
- 1st outer baulk ring
- 1st-2nd coupling sleeve
- Insert key
- 1st-2nd synchronizer hub
- 2nd outer baulk ring
- 2nd synchronizer cone
- 2nd inner baulk ring
- 2nd main gear
- Bushing
- 3rd main gear
- Mainshaft adjusting shim
- 4th main gear
- 5th main gear
- 6th main gear
- Mainshaft rear bearing inner race
- Mainshaft rear bearing outer race
- Snap ring
- Mainshaft rear bearing adjusting
shim

- Reverse output gear
- Snap ring
- Reverse baulk ring
- Return spring
- Needle bearing
- Seal washer
- Reverse idler shaft
- Spacer
- Reverse input gear
- Lock washer
- Spring washer
Shift fork and fork rod

- Shifter lever A
- Shifter lever B
- Retaining pin
- Selector
- Selector lever
- Reverse fork rod
- 1st-2nd fork rod
- Fork rod
Final drive

- Shim
- Differential side bearing outer race
(transaxle case side)
- Differential side bearing inner race
(transaxle case side)
- Final gear
- Differential case
- Differential side bearing inner race
(clutch housing side)
- Differential side bearing outer race
(clutch housing side)
Disassembly
- Remove drain plug and gasket from clutch housing, using a suitable tool
and drain gear oil.
- Remove filler plug and gasket from transaxle case.
- Remove selector lever (1) retaining pin with a pin punch to
remove selector lever.
- Remove bracket (2) and position switch (3) from transaxle case.

- Remove transaxle case bolts (
).

- Remove reverse idler shaft bolt (
) and sealing washer.

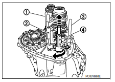
- Remove transaxle case (2) while rotating shifter lever a (1) in
the direction as shown.

- Remove selector spring (1) from return bushing (a).

- Shift 1st-2nd fork rod (1), fork rod (2), and reverse fork rod (3) to
the neutral position.
- Remove selector (4) from clutch housing.

- Remove reverse idler shaft assembly (1), with the following procedure.
- Pull up input shaft assembly (2), mainshaft assembly (3), fork
rod (4), and 1st-2nd fork rod (5).
Note:
It is easier to pull up when shifting each fork rod to each shaft
side.
- Remove reverse idler shaft assembly and reverse fork rod (6)
from clutch housing
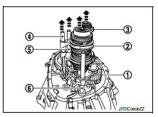
- Remove spring washer from clutch housing.

- Pull up and remove input shaft assembly (1), mainshaft assembly
(2), fork rod (3), and 1st-2nd fork rod (4) from clutch housing.
Note:
It is easier to pull up when shifting each fork rod to each shaft
side.

- Remove final drive assembly (1) from clutch housing.
- Remove magnet from clutch housing.

- Remove differential side oil seals (1) from clutch housing and
transaxle case.
Caution:
Do not damage clutch housing and transaxle case.
Do not reuse differential side oil seal.

- Remove differential side bearing outer race (1) from clutch housing,
using a suitable tool.
Caution:
Do not damage clutch housing.

- Remove differential side bearing outer race (1) from transaxle
case, using a suitable tool.
Caution:
Do not damage transaxle case.
- Remove shim (2) from transaxle case.

- Remove shifter lever a (1) retaining pin, using a suitable tool.
Caution:
Do not reuse retaining pin.
- Remove shifter lever a from transaxle case.

- Remove shifter lever B (1) from transaxle case.

- Remove oil gutter (1) from transaxle case.

- Remove bushings (1) from transaxle case, using a suitable tool.
Caution:
Do not reuse bushings.

- Remove mainshaft rear bearing outer race from transaxle case,
using a suitable tool.
- Remove mainshaft rear bearing adjusting shim from transaxle
case.

- Remove snap ring (1) and oil channel (2) from transaxle case.
Caution:
Do not reuse snap ring or oil channel.

- Remove input shaft oil seal (1) from clutch housing, using a suitable
tool.
Caution:
Do not damage clutch housing.
Do not reuse input shaft oil seal.

- Remove mainshaft front bearing outer race (1) from clutch housing,
using Tool (A) and a suitable tool (B).
Tool number (a) : kv381054s0 (j-34286)
- Remove oil channel (2) from clutch housing.
Caution:
Do not reuse oil channel.

- Remove bushings (1) from clutch housing, using a suitable tool.
Caution:
Do not reuse bushings.

- Remove 2 way connector (1) from clutch housing.

Assembly
- Install 2 way connector (1) to clutch housing.

- Install bushings (1) so that they becomes even with clutch housing
surface, using suitable tool (A).
- Install oil channel to clutch housing.
CAUTION:
Do not reuse oil channel.

- Install mainshaft front bearing outer race to clutch housing using
Tool (A).
CAUTION:
Replace mainshaft front bearing outer race and mainshaft
front bearing inner race as a set.
Do not reuse mainshaft front bearing inner or outer race.
Tool number (A) : KV38100200 ( — )

- Install input shaft oil seal (1) to clutch housing using the Tool (A).
Tool number (A) : ST33220000 ( — )

- Install snap ring (1) and oil channel (2) to transaxle case.
CAUTION:
- Select and install snap ring that has the same thickness
as previous one.
- Replace transaxle assembly when replacing transaxle
case.
- Install mainshaft rear bearing adjusting shim to transaxle case.

CAUTION:
Select mainshaft rear bearing adjusting shim, with the following
procedure when replacing mainshaft adjusting
shim, 6th main gear, 5th main gear, or 4th main gear.
- Replace mainshaft adjusting shim.
- If new mainshaft adjusting shim is thinner than previous one,
offset the thickness difference by
selecting thicker mainshaft rear bearing adjusting shim.
- If new mainshaft adjusting shim is thicker than previous one,
offset the thickness difference by
selecting thinner mainshaft rear bearing adjusting shim.
- Replace 6th main gear, 5th main gear, or 4th main gear.
- Measure the thickness of the main gear used before and the new
main gear
- Increase the thickness of the mainshaft rear bearing adjusting
shim, if the difference is smaller
than 0.025 mm (0.0010 in).
- Decrease the thickness of the mainshaft rear bearing adjusting
shim, if the difference is greater
than 0.025 mm (0.0010 in).
- Install mainshaft rear bearing outer race to transaxle case using
suitable tool (A).
CAUTION:
Replace mainshaft rear bearing outer race and mainshaft
rear bearing inner race as a set.
Tool number : KV38100200 ( — )

- Install bushings (1) to transaxle case, using suitable tool (A).

- Install oil gutter (1) to transaxle case.

- Install shifter lever B (1) to transaxle case.
CAUTION:
Replace shifter lever A and shifter lever B as a set.
- Install shifter lever A to transaxle case.
CAUTION:
Replace shifter lever A and shifter lever B as a set.

- Install retaining pin to shifter lever A (1) using a suitable tool.
CAUTION:
Do not reuse retaining pin.
- Install shim to transaxle case.

- Install differential side bearing outer race (transaxle case side)
to transaxle case, using Tool (A).
CAUTION:
Replace differential side bearing outer race (transaxle case
side) and differential side bearing inner race (transaxle case
side) as a set.
Do not reuse differential side bearing inner or outer race.
Tool number : ST33400001 (J-26082)

- Install differential side bearing outer race (clutch housing side) to
clutch housing, using Tool (A).
CAUTION:
Replace differential side bearing outer race (clutch housing
side) and differential side bearing inner race (clutch housing
side) as a set.
Do not reuse differential side bearing inner or outer race.
Tool number : KV38100200 ( — )

- Install differential side oil seals (1) to clutch housing and transaxle
case, using Tools.
Tool number : KV32500QAA
Tool number : B.vi 1666-B
(A) : Transaxle case side
(B) : Clutch housing side

Dimension (L1) : 1.2 – 1.8 mm (0.047 – 0.071 in)
Dimension (L2) : 2.7 – 3.3 mm (0.106 – 0.130 in)
CAUTION:
- Do not incline differential side oil seal.
- Do not damage clutch housing and transaxle case.
- Install magnet to clutch housing.
- Install final drive assembly to clutch housing.
- Set fork rod (1) to input shaft assembly (2), and then install them
to clutch housing.

- Install mainshaft assembly (1), with the following procedure.
- Pull up input shaft assembly (2) and fork rod (3).
- Set 1st-2nd fork rod (4) to mainshaft assembly and install them
to clutch housing.

- Install reverse idler shaft assembly (1) with the following procedure.
- Install spring washer to clutch housing.
- Pull up input shaft assembly (2), mainshaft assembly (3), fork
rod (4), and 1st-2nd fork rod (5).
NOTE:
It is easier to pull up when shifting each fork rod to each shaft
side.
- Set reverse fork rod (6) to reverse idler shaft assembly and
install them to clutch housing.

- Move 1st-2nd fork rod (1), fork rod (2), and reverse fork rod (3)
to the neutral position.
- Install selector (4) to clutch housing.
CAUTION:
Replace selector lever and selector as a set.

- Install selector spring (1) to return bushing (A).
- Apply recommended sealant to the gasket surface of transaxle
case.
- Use Genuine Silicone RTV or an equivalent. Refer to GI-
21, "Recommended Chemical Products and Sealants".
CAUTION:
- Do not allow old liquid gasket, moisture, oil, or foreign
matter to remain on gasket surface.
- Check that the gasket surface is not damaged.
- Apply sealant bead continuously.

- Install transaxle case to clutch housing while rotating shifter
lever A (1) in the direction as shown.

- Install reverse idler shaft bolt (
), as per the following
procedure.
- Install sealing washer to reverse idler shaft bolt, and install
reverse idler shaft bolt to transaxle case.
CAUTION:
Do not reuse sealing washer.
- Tighten reverse idler shaft bolt to the specified torque.

- Tighten transaxle case bolts (
) to the specified torque.

- Install position switch (1), with the following procedure.
- Apply recommended sealant to threads of position switch.
- Use Genuine Silicone RTV or an equivalent.Refer to GI-21,
"Recommended Chemical Products and Sealants".
CAUTION:
Do not allow old liquid gasket, moisture, oil, or foreign matter
to remain on thread.

- Install position switch to transaxle case and tighten it to the
specified torque.
- Install bracket (2) to transaxle case and tighten bolt to the specified
torque.
- Install selector lever (3) with the following procedure.
- Install selector lever to transaxle case.
CAUTION:
Replace selector lever and selector as a set.
- Install retaining pin to selector lever using a suitable tool.
CAUTION:
Do not reuse retaining pin.
- Install drain plug with the following procedure.
- Install gasket to drain plug.
CAUTION:
Do not reuse gasket.
- Install drain plug to clutch housing using a suitable tool.
- Tighten drain plug to the specified torque.
CAUTION:
Do not overtighten drain plug as this could cause the transaxle case to
crack.
- Install filler plug with the following procedure.
- Install gasket to filler plug and install it to the transaxle case.
CAUTION:
Do not reuse gasket.
- Tighten filler plug to the specified torque.
CAUTION:
Fill with gear oil before tighten filler plug to the specified torque.
Do not overtighten the filler plug as this could cause the transaxle case to
crack.
Inspection
INSPECTION AFTER DISASSEMBLY
Check contact surface (
) and
sliding surface (
) for excessive
wear, uneven wear, bend, and damage. Replace if necessary.

Input shaft and gear
Exploded View

- Input shaft front bearing
- Input shaft
- 3rd input gear
- Spacer
- Snap ring
- 3rd baulk ring
- 3rd-4th coupling sleeve
- 3rd-4th synchronizer hub
- Insert key
- 4th baulk ring
- 4th input gear
- 5th input gear
- 5th baulk ring
- 5th-6th coupling sleeve
- 5th-6th synchronizer hub
- 6th baulk ring
- Needle bearing
- 6th input gear
- Input shaft rear bearing
- First step
- Final step
Disassembly
CAUTION:
- Fix input shaft in a vise with back plate, and then remove gears
and snap rings.
- For removal of snap ring, set snap ring pliers and flat pliers at
both sides of snap ring. While expanding snap ring with snap
ring pliers, move snap ring with flat pliers.
- Disassemble gear components putting direction marks on the
parts that do not affect any functions.

- Remove input shaft rear bearing bolt (1), using Tool (A).
CAUTION:
Do not reuse rear bearing bolt.
Tool number (A) : KV32300QAM ( — )

- Remove input shaft rear bearing (1) with the following procedure.
- Set a suitable tool to input shaft rear bearing.
- Remove input shaft rear bearing using suitable tool (A).

- Remove spacer (1), 6th input gear (2), needle bearing, 6th baulk
ring, and 5th-6th synchronizer hub assembly (3).
- Remove insert keys and 5th-6th coupling sleeve from 5th-6th
synchronizer hub.

- Remove snap ring (1).
CAUTION:
Do not reuse snap ring.
- Remove spacer, 5th baulk ring, 5th input gear (2), and spacer.
- Remove snap ring (1).
CAUTION:
Do not reuse snap ring.
- Remove spacer, 4th input gear (2), 4th baulk ring, and 3rd-4th
synchronizer hub assembly (3).
- Remove insert keys and 3rd-4th coupling sleeve from 3rd-4th
synchronizer hub.

- Remove snap ring (1).
CAUTION:
Do not reuse snap ring.
- Remove spacer, 3rd baulk ring, and 3rd input gear (2).

- Set a suitable tool to input shaft front bearing (1), and then
remove input shaft front bearing.

Assembly
Assembly is in the reverse order of disassembly.
CAUTION:
- Replace transaxle assembly when replacing input shaft.
- For installation of snap ring, set snap ring pliers and flat
pliers
at both sides of snap ring. While expanding snap ring with
snap ring pliers, move snap ring with flat pliers.
- Do not reuse snap ring.
- Check that snap ring is securely installed in a groove.
- Replace 3rd-4th coupling sleeve and 3rd-4th synchronizer
hub as a set.
- Replace 5th-6th coupling sleeve and 5th-6th synchronizer hub
as a set.

- Be careful to install 3rd-4th synchronizer hub according to the
specified direction.
- 3rd input gear side
- 4th input gear side

- Be careful to install 5th-6th synchronizer hub according to the
specified direction.
- 5th input gear side
- 6th input gear side

- Install input shaft front bearing (1) using a suitable tool (A).

- Install input shaft rear bearing (1) using a suitable tool (A) and Tool
(B).
Tool number : ST36720030 ( — )
- Apply gear oil to 3rd baulk ring, 4th baulk ring, 5th baulk ring, and
6th baulk ring.
- Install input shaft rear bearing bolt (1), as per the following
procedure.
CAUTION:
Follow the procedures. Otherwise it may cause a transaxle
malfunction.
Do not reuse rear bearing bolt.

- Fix the Tool (A) in a vise and set input shaft assembly.
Tool number : KV32300QAM ( — )
- Install input shaft rear bearing bolt and tighten it to the specified
torque of the first step.
- Loosen input shaft rear bearing bolt by a half turn.
- Tighten input shaft rear bearing bolt to the specified torque of the
final step.
Inspection
INSPECTION AFTER DISASSEMBLY
Input Shaft and Gear
Check the following items and replace if necessary.
- Damage, peeling, bend, uneven wear, and distortion of shaft.
- Excessive wear, damage, and peeling of gear.

Synchronizer Hub and Coupling Sleeve
Check the following items and replace if necessary.
- Breakage, damage, and unusual wear on contact surface of coupling
sleeve, synchronizer hub, and insert key.
- Coupling sleeve and synchronizer hub move smoothly.

Baulk Ring
Check contact surface of baulk ring cam and insert key for excessive
wear, uneven wear, bend, and damage. Replace if necessary.

Check bearing for damage and uneven rotation. Replace if necessary.

Mainshaft and gear
Exploded View

- Mainshaft front bearing outer race
- Mainshaft front bearing inner race
- Mainshaft
- 1st main gear
- 1st inner baulk ring
- 1st synchronizer cone
- 1st outer baulk ring
- 1st-2nd coupling sleeve
- Insert key
- 1st-2nd synchronizer hub
- 2nd outer baulk ring
- 2nd synchronizer cone
- 2nd inner baulk ring
- 2nd main gear
- Bushing
- 3rd main gear
- Mainshaft adjusting shim
- 4th main gear
- 5th main gear
- 6th main gear
- Mainshaft rear bearing inner race
- Mainshaft rear bearing outer race
- Snap ring
- Mainshaft rear bearing adjusting shim
Disassembly
CAUTION:
- Fix mainshaft in a vise with back plate, and then remove gears and
snap rings.
- For removal of snap ring, set snap ring pliers and flat pliers at
both sides of snap ring. While expanding snap ring with snap
ring pliers, move snap ring with flat pliers.
- Disassemble gear components putting direction marks on the
parts that never affect any functions.

- Remove snap ring (1).
CAUTION:
Do not reuse snap ring.

- Remove 6th main gear (1) and mainshaft rear bearing inner race
(2), with the following procedure.
- Set a suitable tool to 6th main gear.
- Remove mainshaft rear bearing inner race and 6th main gear,
using Tool (A).
Tool number : ST33052000 ( — )

- Remove 4th main gear (1) and 5th main gear (2) with the following
procedure.
- Set a suitable tool to 4th main gear.
- Remove 5th main gear and 4th main gear, using Tool (A).
Tool number : ST33052000 ( — )
- Remove mainshaft adjusting shim.

- Remove 1st main gear (1), 1st-2nd synchronizer hub assembly
(2), 2nd main gear (3), and 3rd main gear (4) with the following
procedure.
- Set a suitable tool to 1st main gear.
- Remove 3rd main gear, busing, 2nd main gear, 2nd inner baulk
ring, 2nd synchronizer cone, 2nd outer baulk ring, 1st-2nd synchronizer
hub assembly, 1st outer baulk ring, 1st synchronizer
cone, 1st inner baulk ring, and 1st main gear using Tool (A).
Tool number : ST33052000 ( — )

Tool number : ST33052000 ( — )
- Remove insert keys and 1st-2nd coupling sleeve from 1st-2nd
synchronizer hub.
- Remove mainshaft front bearing inner race (1) with the following
procedure.
- Set a suitable tool to mainshaft front bearing inner race.
- Remove mainshaft front bearing inner race using Tool (A).
Tool number : ST33052000 ( — )

Assembly
CAUTION:
- Select mainshaft rear bearing adjusting shim, as per the following
procedure when replacing mainshaft
adjusting shim, 6th main gear, 5th main gear, or 4th main gear.
- Replace mainshaft adjusting shim.
- If new mainshaft adjusting shim is thinner than previous one, offset
the thickness difference by
selecting thicker mainshaft rear bearing adjusting shim.
- If new mainshaft adjusting shim is thicker than previous one, offset
the thickness difference by
selecting thinner mainshaft rear bearing adjusting shim.
- Replace 6th main gear, 5th main gear, or 4th main gear.
- Measure the thickness of the main gear used before and the new main
gear
- Increase the thickness of the mainshaft rear bearing adjusting shim,
if the difference is smaller than
0.025 mm (0.0010 in).
- Replace transaxle assembly when replacing mainshaft.
- For installation of snap ring, set snap ring pliers and flat pliers
at both sides of snap ring. While expanding snap ring with
snap ring pliers, move snap ring with flat pliers.
- Do not reuse snap ring.

- Install mainshaft front bearing inner race (1) using Tool (A).
CAUTION:
Replace mainshaft front bearing outer race and mainshaft
front bearing inner race as a set.
Do not reuse mainshaft front bearing inner or outer race.
Tool number : ST36720030 ( — )
- Apply gear oil to 1st inner baulk ring, 1st synchronizer cone, 1st
outer baulk ring, 2nd inner baulk ring, 2nd synchronizer cone,
and 2nd outer baulk ring.
CAUTION:
- Replace 1st inner baulk ring, 1st synchronizer cone, and 1st outer
baulk ring as a set.
- Replace 2nd inner baulk ring, 2nd synchronizer cone, and 2nd outer
baulk ring as a set.

Tool number : ST36720030 ( — )
- Apply gear oil to 1st inner baulk ring, 1st synchronizer cone, 1st
outer baulk ring, 2nd inner baulk ring, 2nd synchronizer cone,
and 2nd outer baulk ring.
CAUTION:
- Replace 1st inner baulk ring, 1st synchronizer cone, and 1st outer
baulk ring as a set.
- Replace 2nd inner baulk ring, 2nd synchronizer cone, and 2nd outer
baulk ring as a set.
- Install insert keys and 1st-2nd coupling sleeve to 1st-2nd synchronizer
hub.
CAUTION:
Replace 1st-2nd synchronizer hub and 1st-2nd coupling sleeve as a set.
Install 1st main gear (1), 1st inner baulk ring, 1st synchronizer
cone, 1st outer baulk ring, 1st-2nd synchronizer hub assembly
(2), 2nd inner baulk ring, 2nd synchronizer cone, and 2nd outer
baulk ring.
- Install bushing (3) using Tool (A).
Tool number : ST32102700 ( — )

- Install 3rd main gear (1) and 2nd main gear (2) using Tool (A).
Tool number : KV32102700 ( — )

- Measure dimension (L) as shown in the figure. Select mainshaft
adjusting shim (1) according to the following list, and then install
it to mainshaft.
- Mainshaft
- 3rd main gear


- Install 4th main gear (1) using Tool (A).
Tool number : KV32102700 ( — )

- Install 5th main gear (1) using Tool (A).
Tool number : KV32102700 ( — )

- Install 6th main gear (1) using Tool (A).
Tool number : KV32102700 ( — )

- Install mainshaft rear bearing inner race (1) using Tool (A).
CAUTION:
Replace mainshaft rear bearing inner race and mainshaft
rear bearing outer race as a set.
Tool number : ST30901000 (J-26010-01)

- Install snap ring.
CAUTION:
Do not reuse snap ring.

Inspection
INSPECTION AFTER DISASSEMBLY
Mainshaft and Gear
Check the following items and replace if necessary.
- Damage, peeling, bend, uneven wear, and distortion of shaft.
- Excessive wear, damage, and peeling of gear.

Synchronizer Hub and Coupling Sleeve
Check the following items and replace if necessary.
- Breakage, damage, and unusual wear on contact surface of coupling
sleeve, synchronizer hub, and insert key.
- Coupling sleeve and synchronizer hub move smoothly.

Baulk Ring
Check contact surface of baulk ring cam and insert key for excessive
wear, uneven wear, bend, and damage. Replace if necessary.

Bearing
Check bearing for damage and uneven rotation. Replace if necessary.
CAUTION:
- Replace mainshaft front bearing outer race and mainshaft
front bearing inner race as a set.
- Replace mainshaft rear bearing inner race and mainshaft rear
bearing outer race as a set.

Reverse idler shaft and gear
Exploded View

- Reverse output gear
- Snap ring
- Reverse baulk ring
- Return spring
- Needle bearing
- Seal washer
- Reverse idler shaft
- Spacer
- Reverse input gear
- Lock washer
- Spring washer
Disassembly
- Remove reverse output gear (1).

- Remove snap ring (1).
CAUTION:
Do not reuse snap ring.

- Remove reverse baulk ring (1) and return spring (2).

- Remove snap ring (1), lock washer (2), and reverse input gear
(3).
CAUTION:
Do not reuse snap ring.

- Remove needle bearings (1) and washer.

Assembly
Assembly is in the reverse order of disassembly.
CAUTION:
- Do not reuse snap ring.
- Check that snap ring is securely installed in a groove.
- Replace reverse output gear, snap ring, reverse baulk ring, return
spring, needle bearing, reverse
idler shaft, spacer, reverse input gear, and lock washer as a set.
Inspection
INSPECTION AFTER DISASSEMBLY
Shaft and Gear
Check the following items. Replace reverse output gear, snap ring, reverse
baulk ring, return spring, needle
bearing, reverse idler shaft, spacer, reverse input gear, and lock washer as a
set, if necessary.
- Damage, peeling, bend, uneven wear, and distortion of shaft
- Excessive wear, damage, and peeling of gear
Bearing
Check damage and rotation of bearing. Replace reverse output gear, snap ring,
reverse baulk ring, return
spring, needle bearing, reverse idler shaft, spacer, reverse input gear, and
lock washer as a set, if necessary.
Final drive
Exploded View

- Shim
- Differential side bearing outer race
(transaxle case side)
- Differential side bearing inner race
(transaxle case side)
- Final gear
- Differential case
- Differential side bearing inner race
(clutch housing side)
- Differential side bearing outer race
(clutch housing side)
Disassembly
- Remove differential side bearing inner race (clutch housing side)
(1) with the following procedure.
- Set a suitable tool to differential side bearing inner race (clutch
housing side).
- Remove differential side bearing inner race (clutch housing side)
using Tool (A).
Tool number : ST33061000 (J-8107-2)

- Remove final gear mounting bolts and remove final gear (1).

- Remove differential side bearing inner race (transaxle case
side) (1) with the following procedure.
- Set a suitable tool to differential side bearing inner race (transaxle
case side).
- Remove differential side bearing inner race (transaxle case
side) using a suitable tool (A).

Assembly
- Install final gear, and then tighten final gear mounting bolts to the
specified torque.
CAUTION:
Replace final gear and differential case as a set.
- Install differential side bearing inner race (clutch housing side)
using a suitable tool (A).
CAUTION:
Replace differential side bearing inner race (clutch housing
side) and differential side bearing outer race (clutch housing
side) as a set.

- Install differential side bearing inner race (transaxle case side)
using a suitable tool (A).
CAUTION:
Replace differential side bearing inner race (transaxle case
side) and differential side bearing outer race (transaxle
case side) as a set.

Inspection
INSPECTION AFTER DISASSEMBLY
Gear and Case
Check final gear and differential case. Replace if necessary.
Bearing
Check bearing for damage and uneven rotation. Replace if necessary.

TRANSAXLE ASSEMBLY
Exploded View
Transaxle assembly
Refer to INSTALLATION
Removal and Installation
WARNING:
Do not remove the radiator cap when the engine is hot. Serious burns
co ...
General Specifications
...
Other materials:
Terms
It is important to familiarize yourself with
the following terms before loading your
vehicle:
Curb Weight (actual weight of your
vehicle) - vehicle weight including:
standard and optional equipment, fluids,
emergency tools, and spare tire
assembly. This weight does not include
passen ...
Basic inspection
Diagnosis and repair work flow
Work flow
Detailed flow
1.Obtain information about symptom
Interview the customer to obtain as much information as possible about the
conditions and environment under
which the malfunction occurs.
>> GO TO 2.
2.Check symptom
Check the symptom based ...
Vehicle information
Identification information
Model Variation
Identification Number
Vehicle identification number (VIN)
plate
Vehicle identification number
(chassis number)
Emission control information label
Air Conditioner specification label
F.M.V.S.S./C.M.V.S.S. certificat ...
© 2014-2026 Copyright b17.nisentra.com