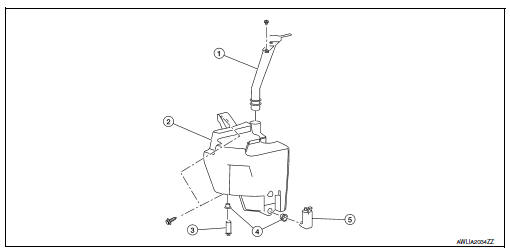
Exploded view

Removal and installation
REMOVAL
INSTALLATION
Installation is in the reverse order of removal.
NOTE:
Washer pump
Removal and Installation
The washer pump is serviced as an assembly with the washer tank. Refer to WW-51, "Removal and Installation".
Washer level switch
Removal and installation
The washer level switch is serviced as an assembly with the washer tank. Refer to WW-51, "Removal and Installation".
Washer nozzle & tubeP0131 A/F Sensor 1
DTC Logic
DTC DETECTION LOGIC
To judge the malfunction, the diagnosis checks that the A/F signal computed
by ECM from the A/F sensor 1
signal is not inordinately low.
DTC No.
CONSULT screen terms
(Trouble diagnosis content)
DTC detecting condition
Possible cause
P01 ...
Automatic speed control device (ASCD)
AUTOMATIC SPEED CONTROL DEVICE (ASCD) : System Description
SYSTEM DIAGRAM
BASIC ASCD SYSTEM
Refer to Owner's Manual for ASCD operating instructions.
Automatic Speed Control Device (ASCD) allows a driver to keep vehicle at
predetermined constant speed
without depressing accelerator pedal ...
How to erase permanent DTC
Description
OUTLINE
When a DTC is stored in ECM
When a DTC is stored in ECM and MIL is ON, a permanent DTC is erased with MIL
shutoff if the same malfunction
is not detected after performing the driving pattern for MIL shutoff three times
in a raw.
*1: When the same malfunction is detec ...