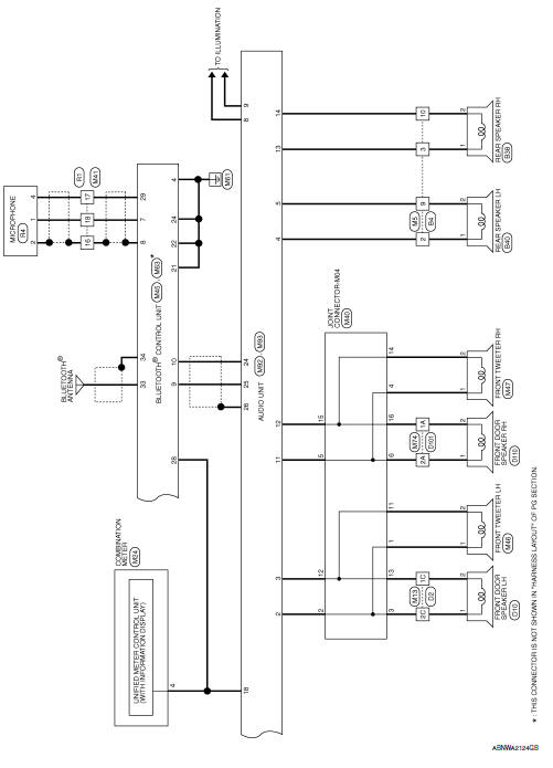
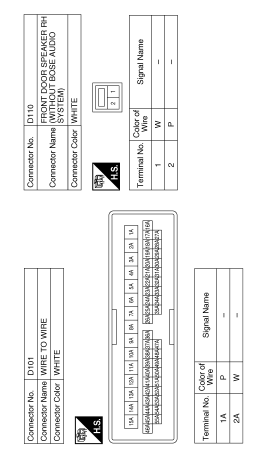
Display audio without bose
Wiring diagram











Ecu diagnosis information
Basic inspectionRemote keyless entry system (if so equipped)
WARNING
Radio waves could adversely affect
electric medical equipment. Those who
use a pacemaker should contact the
electric medical equipment manufacturer
for the possible influences before
use.
The remote keyless entry keyfob transmits
radio waves when the bu ...
Precaution for Supplemental Restraint System (SRS) "AIR BAG" and "SEAT BELT
PRE-TENSIONER"
The Supplemental Restraint System such as “AIR BAG” and “SEAT BELT PRE-TENSIONER”,
used along
with a front seat belt, helps to reduce the risk or severity of injury to the
driver and front passenger for certain
types of collision. Information necessary to service the system ...
Illumination control switch
Removal and installation
Removal
Remove instrument finisher d. Refer to ip-14, "exploded view".
Remove the illumination control switch (1) from the switch carrier
(2) using suitable tool (a).
: Pawl
Installation
Installation is in the reverse order of removal. ...