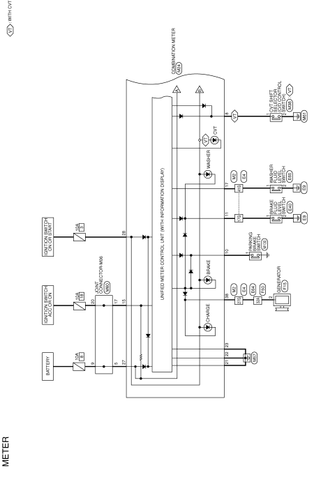
Meter system
Wiring diagram















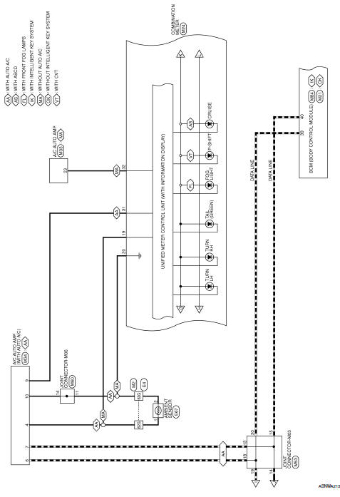
Compass
Wiring diagram


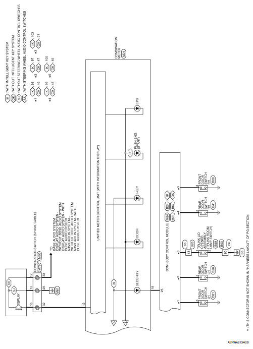
Bcm (body control module)
Basic inspectionPrecaution for work
When removing or disassembling each component, be careful not to damage
or deform it. If a component
may be subject to interference, be sure to protect it with a shop cloth.
When removing (disengaging) components with a screwdriver or similar
tool, be sure to wrap the component
with a ...
Small children
Children that are over 1 year old and weigh at
least 20 lbs (9 kg) should remain in a rear-facing
child restraint as long as possible up to the height
or weight limit of the child restraint. Children who
outgrow the height or weight limit of the rearfacing
child restraint and are at least 1 yea ...
The key warning does not sound
(without intelligent key)
Description
The key warning chime does not sound, when all of the following conditions
are fulfilled.
Key inserted into the key cylinder (key switch signal on).
Ignition switch is in acc or off (ignition switch signal off).
Driver side door is open (driver side door switch on)
Diagnosi ...