Inspection and Adjustment
INSPECTION
The Height of Clutch Pedal
Clutch pedal height (H1)

Position of Clutch Interlock Switch (if equipped)
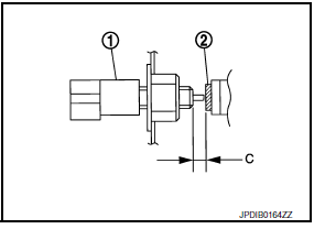
Check that the clearance (C) between the thread end of clutch interlock switch (1) and stopper rubber (2) is within the specification range while clutch pedal is fully depressed.
Clearance (C) : Refer to CL-20, "Clutch Pedal".

Position of Clutch Pedal Position Switch (if equipped) Check that the clearance (A) between the thread end of clutch pedal position switch (1) and clutch pedal (2) is within the specification range while clutch pedal is fully released.
Clearance (A) : Refer to CL-20, "Clutch Pedal".

ADJUSTMENT
Position of Clutch Interlock Switch (if equipped)
CAUTION:
The clearance (C) must be within the specification range.
Clearance (C) : Refer to CL-20, "Clutch Pedal".

NOTE:
Fully depressed clutch pedal means a clutch pedal condition that the clutch pedal lever contacts the pedal stopper rubber.
Position of Clutch Pedal Position Switch (if equipped)
Clearance (A) : Refer to CL-20, "Clutch Pedal".

Clutch fluidShift position indicator circuit
Component Parts Function Inspection
1.CHECK SHIFT POSITION INDICATOR
Start the engine.
Shift selector lever.
Check that the selector lever position and the shift position indicator
on the combination meter are identical.
Is the inspection result normal?
YES >> INSPECTION END
N ...
Parking, license plate and tail
lamps are not turned on
Description
The parking, license plate and tail lamps do not turn on in with any lighting
switch setting.
Diagnosis procedure
1.Combination switch (lighting and turn signal switch) inspection
Check the combination switch (lighting and turn signal switch). Refer to
BCS-72, "Symptom Table ...
Front wiper auto stop signal circuit
Component function check
1. Check front wiper (auto stop) operation
Consult data monitor
Select “WIP AUTO STOP” of IPDM E/R DATA MONITOR item.
Operate the front wiper.
With the front wiper operation, check the monitor status.
Is the inspection result normal?
YES >> ...