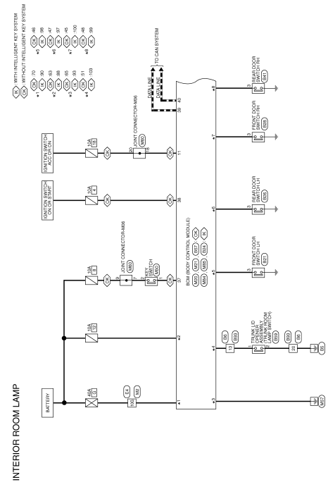
Interior room lamp control system
Wiring diagram









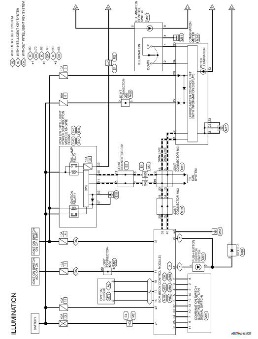
Illumination
Wiring diagram












Ecu diagnosis information
Basic inspectionExcept 6M/T
EXCEPT 6M/T : Exploded View
Circular clip
Dust shield
Slide joint housing
Snap ring
Spider assembly
Boot band
Boot
Shaft
Damper band
Dynamic damper
Circular clip
Joint sub-assembly
Wheel side
Joint sub-assembly
Circular clip
Boot band
Boot
Shaft
Da ...
Bluetooth® Hands-Free Phone System with
Navigation System (if so equipped)
WARNING
Use a phone after stopping your vehicle
in a safe location. If you have to use a
phone while driving, exercise extreme
caution at all times so full attention may
be given to vehicle operation.
If you are unable to devote full attention
to vehicle operation ...
B0029 Side curtain air bag module RH
Description
DTC B0029 RH SIDE CURTAIN AIR BAG MODULE
The RH side curtain air bag module is wired to the air bag diagnosis sensor
unit. The air bag diagnosis sensor
unit will monitor for opens and shorts in detected lines to the RH side curtain
air bag module.
PART LOCATION
Refer to SRC-5, ...