Nissan Sentra Service Manual: Unit removal and installation
TRANSMISSION ASSEMBLY
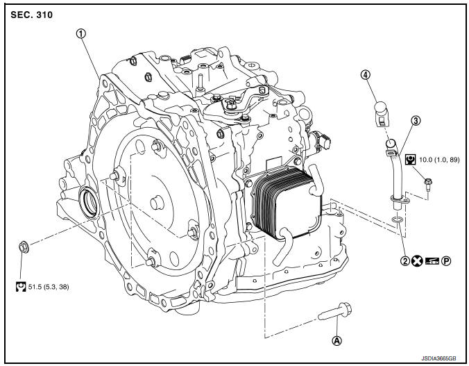
Exploded View

- Transaxle assembly
- O-ring
- CVT fluid charging pipe
- CVT fluid charging pipe cap
- Tightening must be done following the installation procedure. Refer to
TM-283, "Removal and Installation".
: Always replace after every
disassembly.
: NВ·m (kg-m, ft-lb)
: NВ·m (kg-m, in-lb)
: Apply petroleum jelly
Removal and Installation
REMOVAL
WARNING:
Do not remove the radiator cap when the engine is hot. Serious burns
could occur from high-pressure
coolant escaping from the radiator. Wrap a thick cloth around the cap. Slowly
push down and turn it a
quarter turn to allow built-up pressure to escape. Carefully remove the cap by
pushing it down and
turning it all the way.
CAUTION:
- Perform these steps after the coolant temperature has cooled
sufficiently.
- Before replacing TCM and transaxle assembly as a set, perform "ADDITIONALSERVICE
WHEN
REPLACING TCM AND TRANSAXLE ASSEMBLY". Refer to TM-144, "Work Procedure".
NOTE:
- When removing components such as hoses, tubes/line, etc., cap or plug
openings to prevent fluid from spilling.
- When replacing the TCM and transaxle assembly as a set, replace the
transaxle assembly first and then
replace the TCM. Refer to TM-142, "Description".
- Remove the engine and transaxle assembly. Refer to EM-82, "M/T : Removal
and Installation" (MT) or
EM-86, "CVT : Removal and Installation" (CVT).
- Disconnect the connectors and harnesses.
- For CVT unit harness connector, refer to TM-69, "Removal and
Installation Procedure for CVT Unit Connector".
- Transmission position switch harness connector
- Primary pulley speed sensor harness connector
- Secondary pulley speed sensor harness connector
- Output speed sensor harness connector
- Ground
- Rotate the crankshaft and remove the nuts that secure the drive plate to
the torque converter from the stator
motor mount.
CAUTION:
Rotate crankshaft clockwise (as viewed from the front of the engine).
- Remove the bolts (engine to transaxle) that fasten the transaxle
assembly and engine assembly.
| Bolt position |
(A) |
(B) |
| Direction of insertion |
Transaxle to engine |
Engine to transaxle |
| Quantity |
2 |
6 |
- Remove transmission bracket.
- Lift the transaxle from the front suspension member.
INSTALLATION
Installation is in the reverse order of removal.
CAUTION:
- When replacing an engine or transaxle you must make sure any
dowels are installed correctly during
re-assembly
- Improper alignment caused by missing dowels may cause vibration,
oil leaks or breakage of drive
train components.
- Do not reuse O-rings or copper sealing washers.
- When turning crankshaft, turn it clockwise as viewed from the
front of the engine
- When tightening the nuts for the torque converter while securing
the crankshaft pulley bolt, be sure
to confirm the tightening torque of the crankshaft pulley bolt. Refer to
EM-49, "Removal and Installation".
- After converter is installed to drive plate, rotate crankshaft
several turns to check that CVT rotates
freely without binding.
- When installing the CVT to the engine, align the matching mark on
the drive plate with the matching
mark on the torque converter
NOTE:
Install the transaxle assembly and engine assembly mounting bolts
according to the following standards.
| Bolt position |
(A) |
(B) |
| Direction of insertio |
Transaxle to engine |
Engine to transaxle |
| Quantity |
2 |
6 |
| Nominal length [mm (in)] |
50 (1.97) |
| Tightening torque
NВ·m (kg-m, ft-lb) |
62 (6.3, 46) |

Inspection and Adjustment
INSPECTION BEFORE INSTALLATION
Check the dimension (A) between the converter housing and torque
converter.
B : Scale
C : Straightedge
Dimension (A) : TM-289, "Torque Converter"

INSPECTION AFTER INSTALLATION
Check the following items:
- CVT fluid leakage. Refer to TM-250, "Inspection"
- For CVT position, refer to TM-150, "Inspection".
- Start the engine and check for coolant leakage from the parts which are
removed and reinstalled.
ADJUSTMENT AFTER INSTALLATION
- Adjust the CVT fluid level. TM-251, "Adjustment".
- Perform “ADDITIONAL SERVICE WHEN REPLACE TRANSAXLE ASSEMBLY”. Refer to
TM-144, "Description".
Exploded View
Transaxle assembly
Electric oil pump sub harness
O-ring
Electric oil pump and motor assembly
CVT fluid
Removal and Installation
REMOVAL
Remove neighboring parts ...
TORQUE CONVERTER AND CONVERTER HOUSING OIL SEAL
Exploded View
Transaxle assembly
Torque converter
Converter housing oil seal
: Apply CVT Fluid
Disassembly
Remove transaxle ass ...
Other materials:
Precaution for Supplemental Restraint System (SRS) "AIR BAG" and "SEAT BELT
PRE-TENSIONER"
The Supplemental Restraint System such as “AIR BAG” and “SEAT BELT PRE-TENSIONER”,
used along
with a front seat belt, helps to reduce the risk or severity of injury to the
driver and front passenger for certain
types of collision. Information necessary to service the system ...
S terminal circuit
Description
The output voltage of the generator is controlled by the IC regulator at
terminal “S” detecting the input voltage
from battery.
The “S” terminal circuit detects the battery voltage to adjust the generator
output voltage with the IC voltage
regulator.
Diagn ...
Av branch line circuit
Diagnosis Procedure
1.Check connector
Turn the ignition switch off.
Disconnect the battery cable from the negative terminal.
Check the terminals and connectors of the av control unit for damage,
bend and loose connection (unit
side and connector side).
Is the inspection result norma ...
© 2014-2026 Copyright b17.nisentra.com