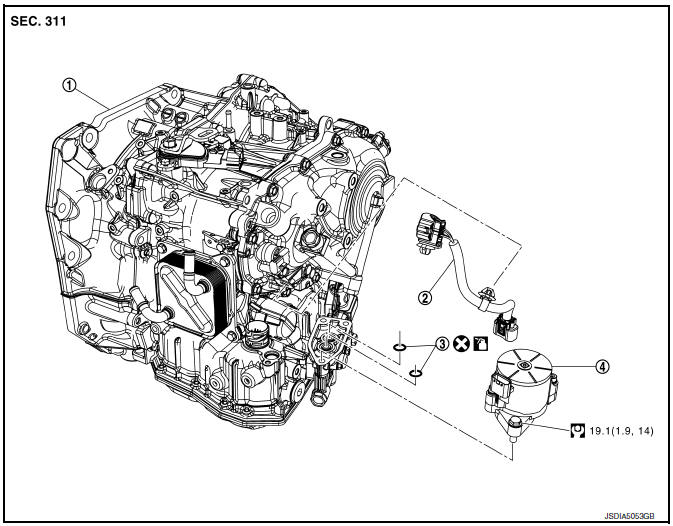
Exploded View

CVT fluid
Removal and Installation
REMOVAL
).


INSTALLATION
Note the followings and install in the reverse order of removal.
CAUTION:
Inspection
INSPECTION BEFORE INSTALLATION
INSPECTION AFTER INSTALLATION
Perform bleeding of electric oil pump with CONSULT.
CVT Fluid filter
Unit removal and installationComponent parts
Component Parts Location
IPDM E/R, (Headlamp high relay,
Headlamp low relay, Taillamp relay
and Front fog lamp relay (if equipped))
Stop lamp switch
Parking brake switch
Combination meter
Combination switch
(lighting and turn signal switch)
BCM (view with combination meter r ...
Precaution for supplemental restraint system (SRS) "air bag" and "seat belt
pre-tensioner"
The Supplemental Restraint System such as “AIR BAG” and “SEAT BELT PRE-TENSIONER”,
used along
with a front seat belt, helps to reduce the risk or severity of injury to the
driver and front passenger for certain
types of collision. Information necessary to service the system ...
Symptom diagnosis
The eco mode indicator lamp does not turn on
Description
The ECO mode indicator lamp does not turn ON when the ECO mode switch is
operated.
Diagnosis Procedure
1.Perform combination meter on board diagnosis
Perform combination meter on board diagnosis. Refer to MWI-16, "Description" ...