Wiring Diagram





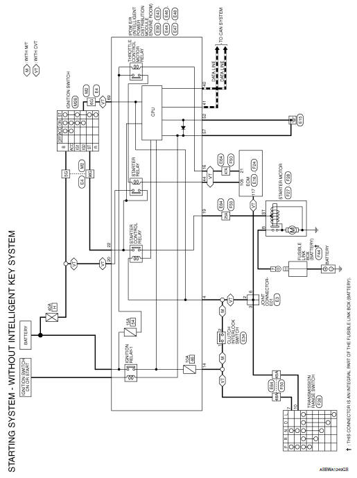
Starting system (with intelligent key)
Basic inspectionP0139 HO2S2
DTC Logic
DTC DETECTION LOGIC
The heated oxygen sensor 2 has a much longer switching time
between rich and lean than the air fuel ratio (A/F) sensor 1. The oxygen
storage capacity of the three way catalyst 1 causes the longer
switching time. To judge the malfunctions of heated oxygen sensor
2, ...
Component parts
Meter system
METER SYSTEM : Component Parts Location
ABS actuator and electric unit (control
unit)
Combination meter
CVT shift selector (with CVT)
(O/D OFF switch)
Air bag diagnosis sensor unit
(view with center console assembly removed)
Parking brake switch
(view with ...
Difference between predicted and actual distances
The distance guide line and the vehicle width
guide line should be used as a reference only
when the vehicle is on a level, paved surface. The
distance viewed on the monitor is for reference
only and may be different than the actual distance
between the vehicle and displayed objects.
Backing u ...