Wiring Diagram





Wiring diagram
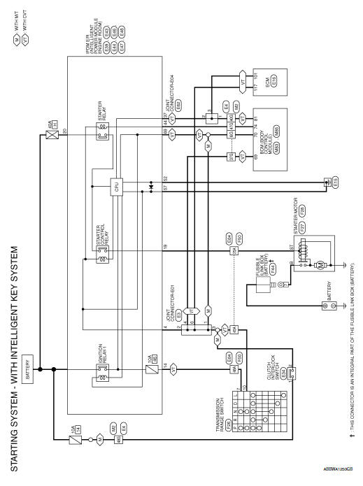
Starting system (without intelligent key)Brake pedal
Inspection
BRAKE PEDAL HEIGHT
Check the brake pedal height (H1) between the dash lower panel (1)
and the brake pedal upper surface.
Brake pedal height (H1) : Refer to BR-54, "Brake Pedal".
CAUTION:
Check the brake pedal height with the floor trim removed.
STOP LAMP SWITCH AND BR ...
Tightening Torque Table (New Standard Included)
CAUTION:
The special parts are excluded.
The bolts/nuts in these tables have a strength (discrimination)
number/symbol assigned to the head
or the like. As to the relation between the strength grade in these tables
and the strength (discrimination)
number/symbol, refer to “DISCR ...
Basic inspection
Diagnosis and repair workflow
Trouble diagnosis flow chart
Trouble diagnosis procedure
Interview with customer
Interview with the customer is important to detect the root cause of can
communication system errors and to
understand vehicle condition and symptoms for proper trouble diagnosi ...