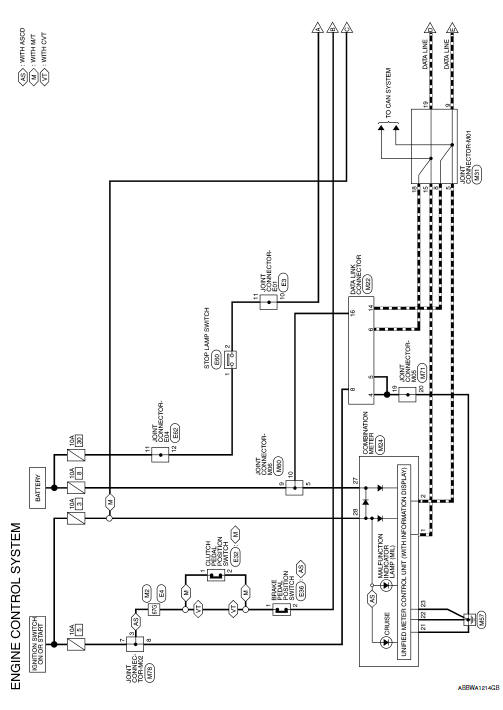
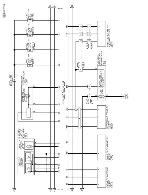
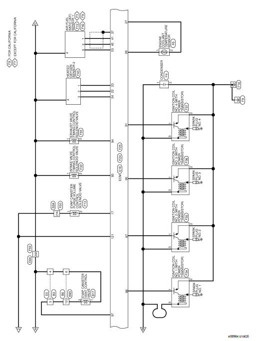
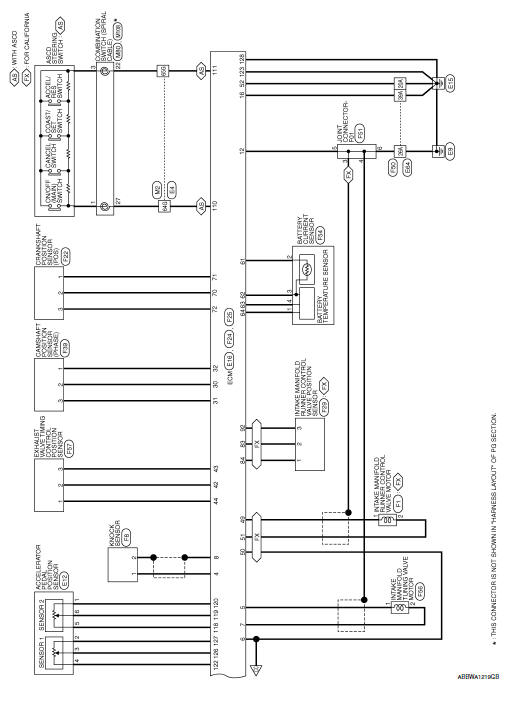
Engine control system
Wiring Diagram





















Ecu diagnosis information
Basic inspectionECU diagnosis information
A/C AUTO AMP
Reference Value
VALUES ON THE DIAGNOSIS TOOL
TERMINAL LAYOUT
PHYSICAL VALUES
DTC Inspection Priority Chart
If some DTCs are displayed at the same time, perform inspections one by one
based on the following priority
chart.
DTC Index
*: Perform self ...
Diagnosis system (ipdm e/r) (without intelligent key system)
Diagnosis Description
AUTO ACTIVE TEST
Description
In auto active test, the IPDM E/R sends a drive signal to the following
systems to check their operation.
Front wiper (LO, HI)
Parking lamp
License plate lamp
Tail lamp
Front fog lamp (if equipped)
Headlamp (LO, HI)
A/C compres ...
P0462, P0463 Fuel level sensor
DTC Logic
DTC DETECTION LOGIC
NOTE:
If DTC P0462 or P0463 is displayed with DTC UXXXX, first perform the
trouble diagnosis for DTC
UXXXX.
If DTC P0462 or P0463 is displayed with DTC P0607, first perform the
trouble diagnosis for DTC
P0607. Refer to EC-350, "DTC Logic".
...