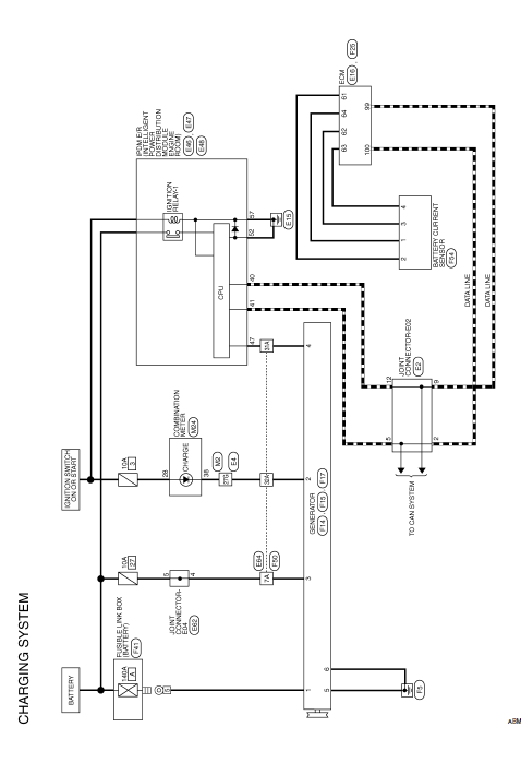
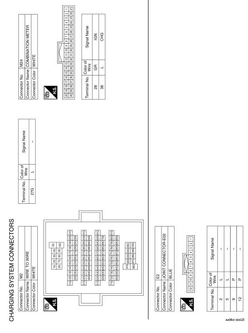
Charging system
Wiring Diagram





Power generation voltage variable control system
Basic inspectionPush-Button Ignition Switch (if so equipped)
WARNINGDo not operate the push-button ignition
switch while driving the vehicle except in
an emergency. (The engine will stop when
the ignition switch is pushed 3 consecutive
times in quick succession or the ignition
switch is pushed and held for more
than 2 seconds.) If ...
Dtc/circuit diagnosis
Power supply and ground circuit
Audio unit
Audio unit : diagnosis procedure
Regarding Wiring Diagram information, refer to AV-157, "Wiring Diagram".
1.Check fuse
Are the fuses blown?
Yes >> replace the blown fuse after repairing the affected circuit.
No >> go to 2.
...
Both side headlamps (lo) are not
turned on
Description
The headlamps (both sides) do not turn on in any lighting switch setting.
Diagnosis Procedure
1.Check combination switch (lighting and turn signal switch)
Check the combination switch (lighting and turn signal switch). Refer to
BCS-72, "Symptom Table" (with Intelligent
...