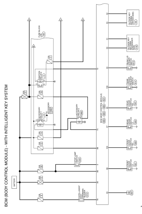
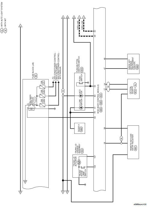
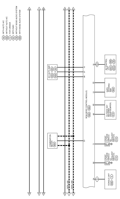
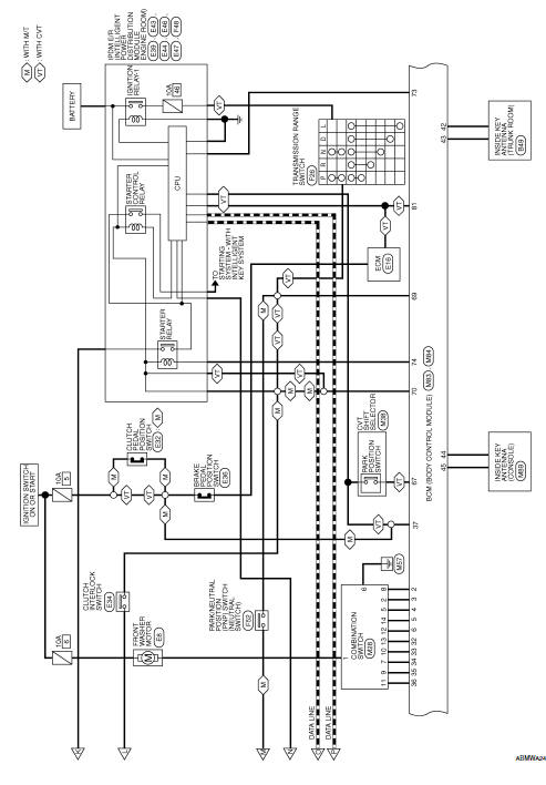
BCM
Wiring diagram









Ecu diagnosis information
Basic inspectionHeated seats (if so equipped)
The front seats are warmed by built-in heaters.
Start the engine.
Push the LO or HI position of the switch, as
desired. The indicator light in the switch will
illuminate.
The heater is controlled by a thermostat,
automatically turning the heater on and off.
The indicator light ...
Passenger side door mirror defogger
Description
Heats the heating wire with the power supply from the rear window defogger
relay to prevent the door mirror
from fogging up.
Component function check
1.Check door mirror defogger rh
Check that the heating wire of door mirror defogger rh is heated when turning
the rear window de ...
U1010 control unit (can)
Description
Initial diagnosis of combination meter.
Dtc logic
Dtc detection logic
Dtc
Display contents of consult
Detection condition
Possible malfunction
U1010
CONTROL UNIT (CAN)
[U1010]
When detecting error during the initial diagnosis of
the can controlle ...