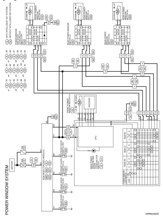
Power window system
Wiring Diagram







Power window main switch
Basic inspectionChecking bulbs
With all doors closed, apply the parking brake
and place the ignition switch in the ON position
without starting the engine. The following lights
will come on:
If equipped, the following lights come on briefly
and then go off:
If any light fails to come on, it may indicate
an open circuit ...
Dtc/circuit diagnosis
Door mirror remote control switch (mirror switch/changeover switch)
Component Inspection
1.Check mirror switch & changeover switch
Turn ignition switch off.
Disconnect door mirror remote control switch connector.
Check door mirror remote control switch.
Is the inspection result ...
Heater operation
This mode is used to direct heated air to the foot
outlets. Some air also flows from the defrost
outlets and the side vent outlets.
Press the button to the OFF
position
for normal heating.
Press the air flow control
button.
Turn the fan control dial to the desired position.
Tur ...