STARTING SYSTEM (WITH INTELLIGENT KEY)
Component Parts Location

Component Description
| Component part | Description |
| Starter motor | The starter motor plunger closes and the motor is supplied with battery power, which in turn cranks the engine, when the S terminal is supplied with electric power. |
| Transmission range switch | Supplies power to the starter relay and starter control relay (inside IPDM E/R) when the selector lever is shifted into the P or N position. |
| IPDM E/R | CPU inside IPDM E/R operates the starter relay when the ignition switch is in the start position. |
| Clutch interlock switch (M/T Models) | Clutch interlock switch supplies power to the coil side of the starter when the clutch pedal is depressed to crank the engine. |
| ECM | ECM controls the starter relay inside the IPDM E/R. |
STARTING SYSTEM (WITHOUT INTELLIGENT KEY)
System Diagram

System Description
The starter motor plunger closes and provides a closed circuit between the battery and the starter motor. The starter motor is grounded to the cylinder block. With power and ground supplied, the starter motor operates.
STARTING SYSTEM (WITHOUT INTELLIGENT KEY)
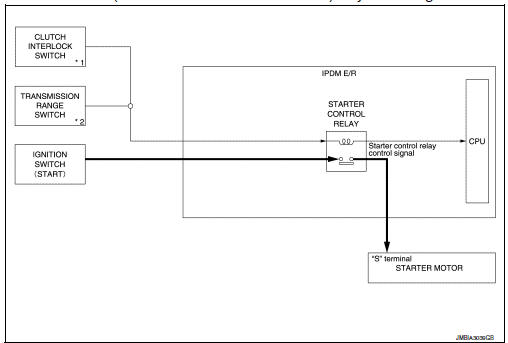
STARTING SYSTEM (WITHOUT INTELLIGENT KEY) : System Diagram

*1: M/T models
*2: CVT models
STARTING SYSTEM (WITHOUT INTELLIGENT KEY) : System Description
CVT MODELS
M/T MODELS
When the clutch pedal is depressed, battery power is supplied to starter motor (“S” terminal).
Component parts
Wiring diagramDiagnosis description : system readiness
test (SRT) code
System Readiness Test (SRT) code is specified in Service $01 of SAE J1979/ISO
15031-5.
As part of an enhanced emissions test for Inspection & Maintenance (I/M),
certain states require the status of
SRT be used to indicate whether the ECM has completed self-diagnosis of major
emission s ...
Troubleshooting guide
Symptom
Possible Cause
When pushing the ignition switch to stop
the engine
The P (Park) warning light in the instrument
panel illuminates and the inside chime
sounds continuously.
The shift lever is not in the P (Park) position.
Make sure that the shift ...
Pedal vibration or abs operation
sound occurs
Diagnosis Procedure
CAUTION:
Under the following conditions, ABS is activated and
vibration is felt when brake pedal is lightly
depressed (just place a foot on it). However, this is normal.
When shifting gears
When driving on slippery road
During cornering at high spee ...