EPS control unit
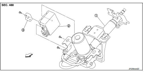
Exploded View

Front
Removal and Installation
REMOVAL
CAUTION:
Disconnect battery negative terminal before starting operations.
Do not shock EPS control unit, e.g. drop or hit.
Do not get EPS control unit wet with water or other liquid. Also, do not give EPS control unit a radical temperature change to avoid getting water drops.
Do not disassemble or remodel EPS control unit, EPS motor, torque sensor, harness and harness connectors.
Remove steering column assembly. Refer to ST-12, "Removal and Installation".
Disconnect EPS motor harness connector
CAUTION:
Hold and pull the harness connector housing, not pulling harness, when disconnecting harness connectors. Also, do not grip, collapse or apply excessive force to the harness connector
Remove EPS control unit from steering column assembly.
Remove bracket plate from EPS control unit.
INSTALLATION
Installation is in the reverse order of removal.
Check that harness is not damaged when installing EPS control unit. Also, check that EPS control unit is installed without pinching harness or trapping foreign materials.
After installing steering column assembly, perform self-diagnosis with CONSULT to ensure correct operation.
Refer to STC-10, "CONSULT Function".
Unbalance steering wheel turning force (torque variation)
RestraintsWarning lights
Anti-lock
Braking
System (ABS) warning light
When the ignition switch is placed in the ON
position, the Anti-lock Braking System (ABS)
warning light illuminates and then turns off. This
indicates the ABS is operational.
If the ABS warning light illuminates while the
engine is running or ...
U1000 CAN Comm circuit
Description
CAN (Controller Area Network) is a serial communication system for real time
application. It is an on-vehicle
multiplex communication system with high data communication speed and excellent
error detection ability.
Many electronic control units are equipped into vehicles, and e ...
CONSULT Data Link Connector (DLC) Circuit
Inspection procedure
If the CONSULT cannot diagnose the system properly, check the following
items.
Symptom
Check item
CONSULT cannot access any
system.
CONSULT DLC power supply circuit (Terminal 8 and 16) and ground
circuit (Terminal 4 and 5)
...