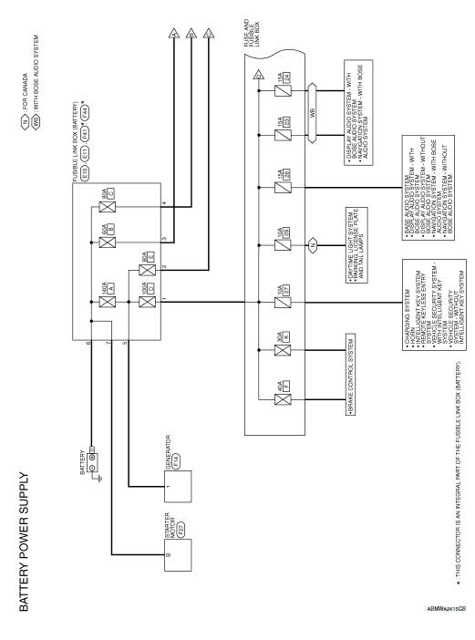
Wiring Diagram — Battery Power Supply —








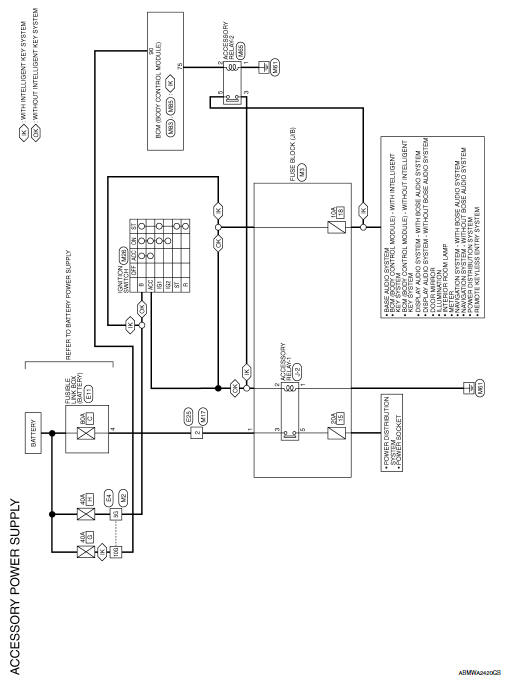
Wiring Diagram — Accessory Power Supply —




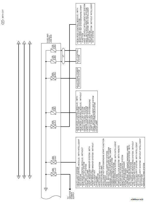
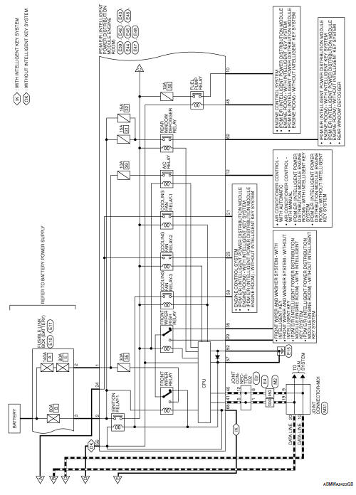
Wiring Diagram — Ignition Power Suppl
y —








Fuse

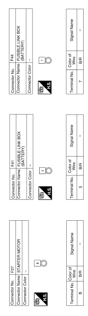
Fusible Link
A melted fusible link can be detected either by visual inspection or by feeling with finger tip. If its condition is questionable, use circuit tester or test lamp.

Caution:
GroundBasic inspection
DIAGNOSIS AND REPAIR WORKFLOW
Work Flow
OVERALL SEQUENCE
DETAILED FLOW
1.INTERVIEW CUSTOMER
Interview the customer to obtain as much information as possible about the
conditions and environment under
which the malfunction occurred.
>> GO TO 2.
2.SYMPTOM CHECK
Verify symptoms.
...
Unbalance steering wheel turning force and return between right
and left
Description
Unbalance steering wheel turning force and return between right
and left.
Diagnosis Procedure
1.CHECK THE ILLUMINATION OF THE EPS WARNING LAMP
Check the EPS warning lamp while engine is running.
Does the EPS warning lamp turn OFF?
YES >> GO TO 2.
NO >> Refer to S ...
Control buttons
The control buttons for the Bluetooth® Hands-
Free Phone System are located on the steering
wheel.
PHONE/SEND
Press the button to initiate
a VR session or answer an incoming
call.
You can also use the button
to interrupt the system feedback
and give a command at once. See
“List of ...