Nissan Sentra Service Manual: OIL
Description
MAINTENANCE OF OIL LEVEL
The compressor oil is circulating in the system together with the
refrigerant. It is necessary to fill compressor
with oil when replacing A/C system parts or when a large amount of refrigerant
leakage is detected. It is important
to always maintain oil level within the specified level, otherwise the following
conditions may occur:
- Insufficient oil amount: Stuck compressor
- Excessive oil amount: Insufficient cooling (caused by insufficient heat
exchange)
Oil Type : A/C System Oil Type DH-PS
Inspection
If a compressor is malfunctioning (internal noise, insufficient cooling),
check the compressor oil.
1.COMPRESSOR OIL JUDGMENT
- Remove the compressor. Refer to HA-31, "COMPRESSOR : Removal and
Installation".
- Sample compressor oil and judge below according to the figure.

Judgement result 1>>Replace compressor only.
Judgement result 2>>Replace compressor and liquid tank.
Perform oil return operation
CAUTION:
If a large amount of refrigerant or oil leakage is detected, do not
perform oil return operation.
- Start the engine and set to the following conditions:
- Engine speed: Idling to 1,200 rpm
- A/C switch: ON
- Fan (blower) speed: Maximum speed set
- Intake door position: Recirculation
- Temperature setting: Full cold
- Perform oil return operation for approximately 10 minutes.
- Stop the engine.
- Oil return operation is complete
Oil adjusting procedure for components replacement except compressor
Fill with oil for the amount that is calculated according to the following
conditions.
Example: Oil amount to be added when replacing evaporator and liquid tank [m (US
fl oz, Imp fl oz)] = 45
(1.5, 1.6) + 15 (0.5, 0.5) + α


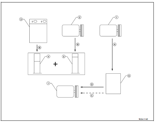
Oil adjusting procedure for compressor replacement

- New compressor
- Old compressor
- Recovery/recycling equipment
- Measuring cup X
- Measuring cup Y
- New oil
- Drain oil from the new compressor
into clean container
- Record amount of oil recovered
- Add an additional 5 m (0.2 US fl oz,
0.2 Imp fl oz) of new oil when replacing
liquid tank
- Install new oil equal to recorded
amounts in measuring cups X plus Y
- Before connecting recovery/recycling equipment to vehicle, check
recovery/recycling equipment gauges.
No refrigerant pressure should be displayed. If NG, recover refrigerant from
equipment lines.
- Connect recovery/recycling equipment to vehicle. Confirm refrigerant
purity in supply tank using recovery/
recycling equipment and refrigerant identifier. If NG, refer to HA-4,
"Precautions For Refrigerant System
Service".
- Confirm refrigerant purity in vehicle A/C system using
recovery/recycling equipment and refrigerant identifier.
If NG, refer to HA-4, "Precautions For Refrigerant System Service".
- Discharge refrigerant into the refrigerant recovery/recycling equipment.
Measure oil discharged into the
recovery/recycling equipment.
- Drain the oil from the “old” (removed) compressor into a graduated
container and recover the amount of
oil drained.
- Drain the oil from the “new” compressor into a separate, clean
container.
- Measure an amount of new oil installed equal to amount drained from
“old” compressor. Add this oil to
“new” compressor through the suction port opening.
- Measure an amount of new oil equal to the amount recovered during
discharging. Add this oil to “new”
compressor through the suction port opening.
- If the liquid tank also needs to be replaced, add an additional 5 m (0.2
US fl oz, 0.2 Imp fl oz) of oil at this
time.
CAUTION:
Do not add the 5 m (0.2 US fl oz, 0.2 Imp fl oz) of oil if only
replacing the compressor and not the
liquid tank.
Description
CONNECTION OF SERVICE TOOLS AND EQUIPMENT
Shut-off valve
A/C service valve
Recovery/recycling/recharging
equipment
Refrigerant container (HFC-134a)
Weight scale (J-3965 ...
Inspection
INSPECTION PROCEDURE
Connect recovery/recycling/recharging equipment (for HFC-134a) or
manifold gauge.
Start the engine, and set to the following condition.
Test condition
...
Other materials:
Diagnosis description : malfunction indicator lamp (MIL)
When emission-related ECU detects a malfunction in the emission
control systems components and/or the powertrain control components
(which affect vehicle emissions), it turns on/blinks MIL to
inform the driver that a malfunction has been detected.
The MIL illuminates when ignition switch is t ...
Diagnosis description : system readiness
test (SRT) code
System Readiness Test (SRT) code is specified in Service $01 of SAE J1979/ISO
15031-5.
As part of an enhanced emissions test for Inspection & Maintenance (I/M),
certain states require the status of
SRT be used to indicate whether the ECM has completed self-diagnosis of major
emission s ...
List of voice commands
Main Menu
“Call”
“Phonebook”
“Recent Calls”
“Connect Phone”
When you press and release the
button on
the steering wheel, you can choose from the
commands on the Main Menu. The following
pages describe these commands and the commands
in each sub-menu.
Remember to wai ...
© 2014-2026 Copyright b17.nisentra.com