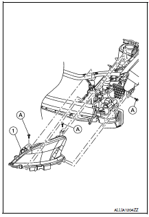
Exploded view

Removal and installation
REMOVAL

INSTALLATION
Installation is in the reverse order of removal.
After installation, perform headlamp aiming adjustment. Refer to EXL-115, "Aiming Adjustment".
Bulb replacement
WARNING:
Do not touch bulb by hand while it is lit or right after being turned off. Burning may result.
CAUTION:
may affect the performance of the lamp.
HEADLAMP HIGH BEAM
Removal
Installation
Installation is in the reverse order of removal.
CAUTION:
After installing, be sure to install the cover securely to ensure watertightness.
HEADLAMP LOW BEAM
Removal
Installation
Installation is in the reverse order of removal.
CAUTION:
After installing, be sure to install the cover securely to ensure watertightness.
SIDE MARKER LAMP
Removal
Installation
Installation is in the reverse order of removal.
CAUTION:
After installing, be sure to install the bulb socket securely to ensure watertightness.
TURN SIGNAL LAMP
Removal
Installation
Installation is in the reverse order of removal.
CAUTION:
After installing, be sure to install the bulb socket securely to ensure watertightness.
Park Lamp
The park lamp LED bulb is integrated into the front combination lamp and is serviced as an assembly. Refer to EXL-119, "Removal and Installation".
Front fog lampU0140 Lost communication (BCM)
DTC Logic
DTC DETECTION LOGIC
DTC
CONSULT screen terms
[Trouble diagnosis content]
DTC detection condition
Possible causes
U0140
LOST COMM (BCM)
[Lost Communication With
Body Control Module]
When the ignition switch is ON, TCM is unable
to receive the CAN ...
Ipdm-e branch line circuit
Diagnosis Procedure
1.Check connector
Turn the ignition switch off.
Disconnect the battery cable from the negative terminal.
Check the terminals and connectors of the ipdm e/r for damage, bend and
loose connection (unit side
and connector side).
Is the inspection result normal?
Yes ...
Component parts
Component Parts Location
BCM (view with instrument panel removed)
Remote keyless entry receiver (view
with instrument panel removed)
Transmitter
Combination meter
Component Description
BCM
The BCM reads the tire pressure signal received by the remote keyless entry
receiver ...