Nissan Sentra Service Manual: Exhaust manifold
Exploded View
CALIFORNIA

- Air fuel ratio sensor
- Exhaust manifold heat shield (upper)
- Exhaust manifold and three way catalyst
- Exhaust manifold heat shield (rear)
- Exhaust manifold heat shield (front)
- Exhaust manifold gasket
- Cylinder head
EXCEPT CALIFORNIA

- Air fuel ratio sensor
- Bracket
- Exhaust manifold
- Exhaust manifold gasket
- Cylinder head
- Exhaust manifold heat shield
Removal and Installation
REMOVAL
- Remove the cowl top. Refer to EXT-25, "Exploded View".
- Remove front exhaust tube. Refer to EX-5, "Exploded View".
- Disconnect air fuel ratio sensor harness connector and remove air fuel
ratio sensor if necessary.
- Remove exhaust manifold cover.
- Remove exhaust manifold.
- Loosen nuts in reverse order as shown.
NOTE:
Disregard the numerical order No. 6-8 in removal.

- Remove exhaust manifold gasket.
CAUTION:
Cover engine openings to avoid entry of foreign materials.
INSTALLATION
- Install exhaust manifold gasket (1) to cylinder head as shown.
CAUTION:
Do not reuse exhaust manifold gasket (1).

- Install exhaust manifold with the following procedure:
- Tighten nuts in numerical order as shown.
NOTE:
- Tighten nuts the No.1-3 in two steps.
- The numerical order No.6-8 shows the second step.

- Installation of remaining components is in the reverse order of removal.
Inspection
INSPECTION AFTER REMOVAL
Surface Distortion
- Using feeler gauge (A) and straightedge (B), check the surface
distortion
of exhaust manifold mating surface in each exhaust port
and entire part.
Limit : Refer to EM-119, "Exhaust Manifold".
- If it exceeds the limit, replace exhaust manifold.

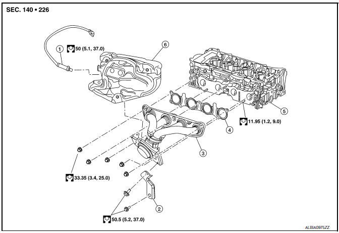
Exploded View
Clamp
PCV hose
Bracket
Intake manifold gasket
Intake manifold
Mount rubber
Clamp
EVAP hose
EVAP canister purge volume
control solenoid valve
Electric throttl ...
Exploded View
O-ring
Oil pan (upper)
Oil level gauge guide
O-ring
Oil level gauge
Oil pump drive chain
Crankshaft sprocket
Oil pump sprocket
Oil pump chain tensioner
Oil pump
...
Other materials:
Precaution for Supplemental Restraint System
(SRS) "AIR BAG" and "SEAT BELT PRE-TENSIONER"
The Supplemental Restraint System such as “AIR BAG” and “SEAT BELT PRE-TENSIONER”,
used along
with a front seat belt, helps to reduce the risk or severity of injury to the
driver and front passenger for certain
types of collision. Information necessary to service the system ...
Vehicle identification number (VIN) plate
The vehicle identification number (VIN) plate is
attached as shown. This number is the identification
for your vehicle and is used in the vehicle
registration.
Vehicle identification number (chassis number)
The vehicle identification number is located as
shown.
Engine serial number
...
Sunshade
Exploded View
Sunshade
Moonroof unit assembly
Sunshade stopper (LH/RH)
Front
Removal and Installation
REMOVAL
Remove the headlining. Refer to INT-40, "Removal and Installation".
Remove the sunshade stoppers (1) (LH/RH) from the moonroof
unit assembly side rails (2) ...
© 2014-2026 Copyright b17.nisentra.com