Nissan Sentra Service Manual: CVT Shift selector
Exploded View

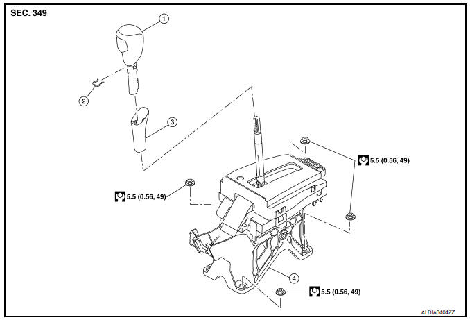
- Shift selector knob
- Lock pin
- Knob cover
- Position indication panel
- Detent switch
- Shift lock unit
- Park position switch
- Shift selector assembly
- Shift selector harness assembly
- Position bulb
- Key interlock rod
- With push-button ignition switch
system
- Without push-button ignition switch
system
Removal and Installation
REMOVAL
- Turn ignition switch OFF.
- Move the shift selector to “N” position
- Remove shift selector knob with the following procedure.
- Slide the knob cover (1) down.
CAUTION:
Do not damage the knob cover.
- Pull out the lock pin (2).
- Pull the shift selector knob (3) and knob cover upwards to
remove them.
- Remove the center console. Refer to IP-17, "Removal and
Installation".
- Remove rear floor duct (LH/RH). Refer to VTL-8, "Exploded
View".

- Move the shift selector to “P” position.
- Remove the key interlock cable from the shift selector assembly. Refer
to TM-260, "Removal and Installation".
(Without push-button ignition switch)
- Remove the control cable from the shift selector assembly with the
following procedure.
- Disconnect the tip (A) of control cable from the shift selector
assembly.
- Remove socket (B) from shift selector assembly.
- Remove harness clips from the shift selector with a clip remover.
- Remove shift selector nuts.
- Remove the shift selector assembly from the vehicle.

INSTALLATION
Installation is in the reverse order of removal.
NOTE:
Pay attention to the following when connecting the control cable to the
shift selector assembly.
- When connecting the control cable (1) to the shift selector
assembly (2), face the grooved surface of the rib (A) up and
insert the control cable until it stops.

- Install the socket (A) onto the shift selector assembly.
CAUTION:
- Place the socket onto the shift selector assembly, then
fasten it in place from above.
- Check that the pulling on the socket does not disconnect
it.

- Follow the procedure below and place the shift selector knob onto the
shift selector.
- Install the lock pin (2) onto the shift selector knob (3).
- Move the shift selector to “N” position.
- Insert the shift selector knob into the shift selector until a slight
touch is felt.
- Press and hold the shift selector knob button and insert shift
selector knob onto shift selector until it clicks.

CAUTION:
Do not strike the shift selector knob to press it into place.
- After installing shift selector knob, pull the knob to check that it
does not become disconnected.
Inspection
INSPECTION
Check the CVT position. If a malfunction is found, adjust the CVT position.
Refer to TM-150, "Inspection".
Exploded View
Control cable
Lock plate
Transaxle assembly
Bracket A
Bracket B
CVT shift selector assembly
Manual lever
Grommet
Removal and Installation
INSTALLATION
CA ...
Other materials:
Diagnosis system (ipdm e/r) (without intelligent key system)
Diagnosis Description
AUTO ACTIVE TEST
Description
In auto active test, the IPDM E/R sends a drive signal to the following
systems to check their operation.
Front wiper (LO, HI)
Parking lamp
License plate lamp
Tail lamp
Front fog lamp (if equipped)
Headlamp (LO, HI)
A/C compres ...
P0607 ECM
DTC Logic
DTC DETECTION LOGIC
DTC No.
CONSULT screen terms
(Trouble diagnosis content)
DTC detecting condition
Possible cause
P0607
ECM
(Control module performance)
ECM internal communication system is malfunctioning.
ECM
DTC CONFIRMATION PROCEDURE
1. ...
Engine block heater (if so equipped)
Engine block heaters are used to assist with cold
temperature starting.
The engine block heater should be used when
the outside temperature is 20°F (-7°C) or lower.
WARNING
Do not use your engine block heater
with an ungrounded electrical system or
a 2-pronged adapter. You ...
© 2014-2026 Copyright b17.nisentra.com