Nissan Sentra Service Manual: Brake piping
FRONT
FRONT : Exploded View

- Brake tube
- ABS actuator and electric unit (control
unit)
- Connector
- Connector bracket
- Master cylinder assembly
- Brake booster
- Lock plate
- Brake hose
- Copper sealing washer
- To front brake hose
- To rear brake pipe
Front
FRONT : Hydraulic Piping
Drum Brake
- ABS actuator and electric unit (control
unit)
- Front disc brake
- Master cylinder assembly
- Brake booster
- Connector
- Rear drum brake
- Brake tube
- Brake hose
Flare nut
Union bolt
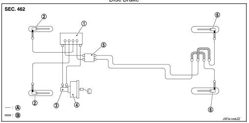
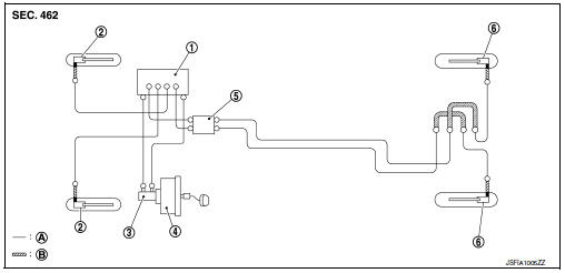
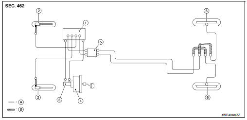
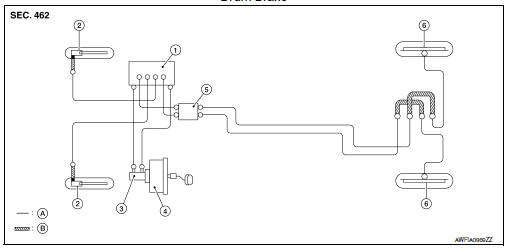
Disc Brake
- ABS actuator and electric unit (control
unit)
- Front disc brake
- Master cylinder assembly
- Brake booster
- Connector
- Rear disc brake
- Brake tube
- Brake hose
Flare nut
Union bolt
CAUTION:
- All hoses and piping (tubes) must be free from excessive bending,
twisting and pulling.
- Make sure there is no interference with other parts when turning
steering wheel both clockwise and
counterclockwise.
- The brake piping is an important safety part. If a brake fluid
leak is detected, always disassemble the
parts. Replace applicable part with a new one, if necessary.
- Do not spill or splash brake fluid on painted surfaces. Brake
fluid may damage paint. If brake fluid is
splashed on painted areas, wash it away with water immediately.
- Do not bend or twist brake hose sharply, or strongly pull it.
- When removing components, cover connections so that no dirt, dust,
or other foreign matter gets in.
- Do not reuse drained brake fluid.
- After installation of the ABS actuator and electric unit (control
unit), refill brake system with new
brake fluid. Then bleed the air from the system. Refer to BR-17, "Bleeding
Brake System".
FRONT : Removal and Installation
NOTE:
When removing components such as hoses, tubes/lines, etc., cap or plug
openings to prevent fluid from spilling.
REMOVAL
- Remove wheels and tires using power tool. Refer to WT-47, "Removal and
Installation".
- Drain brake fluid. Refer to BR-17, "Drain and Refill".
- Loosen the flare nut with suitable tool and separate the brake pipe from
the hose.
CAUTION:
- Do not scratch the flare nut and the brake pipe.
- All brake hoses and pipes must be free from excessive bending,
twisting and pulling.
- Remove the union bolt and the brake hose from the brake caliper
assembly. Remove and discard the copper
sealing washers.
CAUTION:
Do not reuse copper sealing washers.
- Remove the lock plate and remove the brake hose.
INSTALLATION
CAUTION:
Do not allow foreign matter (e.g. dust) and oils other than brake fluid
to enter the reservoir tank.
- Assemble the union bolt (A) and the copper sealing washers (1)
to the brake hose and install it as an assembly to the caliper.
Align the brake hose L-pin by aligning it with the brake caliper
assembly hole, and tighten the union bolt (1) to the specified
torque.
CAUTION:
Do not reuse copper sealing washers.
- Install the brake pipe to the brake hose, temporarily tighten the
flare nut by hand until it does not rotate further, and secure the
brake hose to the bracket with the lock plate.
CAUTION:
Check that the brake hoses and pipes are not bent or
twisted.
- Tighten the flare nut to the specified torque with a flare nut torque
wrench.

CAUTION:
Do not scratch the flare nut and the brake tube.
- Refill with new brake fluid and perform the air bleeding. Refer to
BR-17, "Bleeding Brake System".
CAUTION:
Do not reuse drained brake fluid.
- Install the wheels and tires. Refer to WT-47, "Removal and
Installation".
Rear
REAR : Exploded View
Drum Brake
- Brake tube
- Brake hose
- Lock plate
- To drum brake
- To brake pipe connector
Front
Disc Brake
- Brake tube
- Brake hose
- Lock plate
- Brake hose bracket
- Union bolt
- Rear brake hose
- Copper sealing washer
- To disc brake
- To brake pipe connector
Front
REAR : Hydraulic Piping
Drum Brake
- ABS actuator and electric unit (control
unit)
- Front disc brake
- Master cylinder assembly
- Brake booster
- Connector
- Rear drum brake
- Brake tube
- Brake hose
Flare nut
Union bolt
Disc Brake
- ABS actuator and electric unit (control
unit)
- Front disc brake
- Master cylinder assembly
- Brake booster
- Connector
- Rear disc brake
- Brake tube
- Brake hose
Flare nut
Union bolt
CAUTION:
- All hoses and piping (tubes) must be free from excessive bending,
twisting and pulling.
- Make sure there is no interference with other parts.
- The brake piping is an important safety part. If a brake fluid
leak is detected, always disassemble the
parts. Replace applicable part with a new one, if necessary.
- Do not spill or splash brake fluid on painted surfaces. Brake
fluid may damage paint. If brake fluid is
splashed on painted areas, wash it away with water immediately.
- Do not bend or twist brake hose sharply, or strongly pull it.
- When removing components, cover connections so that no dirt, dust,
or other foreign matter gets in.
- Do not reuse drained brake fluid.
- After installation of the ABS actuator and electric unit (control
unit), refill brake system with new
brake fluid. Then bleed the air from the system. Refer to BR-17, "Bleeding
Brake System".
REAR : Removal and Installation
DRUM BRAKES
NOTE:
When removing components such as hoses, tubes/lines, etc., cap or plug
openings to prevent fluid from spilling.
Removal
CAUTION:
Do not spill or splash brake fluid on painted surfaces. Brake fluid may
damage paint. If brake fluid is
splashed on painted areas, wash it away with water immediately.
- Remove wheels and tires using power tool. Refer to WT-47, "Removal and
Installation".
- Drain brake fluid. Refer to BR-17, "Drain and Refill".
- Loosen the flare nut with suitable tool and separate the brake pipe from
the brake hose.
CAUTION:
- Do not scratch the flare nut and the brake pipe.
- All brake hoses and pipes must be free from excessive bending,
twisting and pulling.
- Remove the lock plate and remove the brake hose from the vehicle.
- Loosen the flare nut with a flare nut wrench and separate the brake pipe
from the wheel cylinder, and
remove the brake pipe.
Installation
- Connect the brake pipe to the wheel cylinder, temporarily tighten the
flare nut by hand until it does not
rotate further.
- Connect the brake hose to the brake pipe, temporarily tighten the flare
nut by hand until it does not rotate
further, and secure the brake hose to the bracket with the lock plate.
CAUTION:
Check that the brake hoses and pipes are not bent or twisted.
- Tighten the flare nut to the specified torque using suitable tool.
CAUTION:
Do not scratch the flare nut and the brake tube.
- Refill with new brake fluid and perform the air bleeding. Refer to
BR-17, "Bleeding Brake System".
CAUTION:
Do not reuse drained brake fluid.
- Install the wheels and tires. Refer to WT-47, "Removal and
Installation".
Disc brakes
NOTE:
When removing components such as hoses, tubes/lines, etc., cap or plug
openings to prevent fluid from spilling.
Removal
- Remove the wheels and tires using power tool. Refer to WT-47, "Removal
and Installation".
- Drain brake fluid. Refer to BR-17, "Drain and Refill".
- Loosen the flare nut with suitable tool and separate the brake tube from
the hose.
CAUTION:
- Do not scratch the flare nut and the brake pipe.
- All brake hoses and pipes must be free from excessive bending,
twisting and pulling.
- Remove the union bolt (A) and the brake hose from the brake
caliper. Remove and discard the copper sealing washers (1).
CAUTION:
Do not reuse copper sealing washers.
- Remove the lock plate and remove the brake hose.

Installation
CAUTION:
Do not allow foreign matter (e.g. dust) and oils other than brake fluid
to enter the reservoir tank.
Assemble the union bolt (A) and the copper sealing washers (1)
to the brake hose and install it as an assembly to the brake caliper.
Align the brake hose L-pin by aligning it with the brake caliper
hole, and tighten the union bolt (A) to the specified torque.
CAUTION:
Do not reuse copper sealing washers.
- Install the brake pipe to the brake hose, temporarily tighten the
flare nut by hand until it does not rotate further, and attach the
brake hose to the bracket with the lock plate.
CAUTION:
Check that the brake hoses and pipes are not bent or
twisted.

- Tighten the flare nut to the specified torque using suitable tool.
CAUTION:
Do not scratch the flare nut and the brake pipe.
- Refill with new brake fluid and perform the air bleeding. Refer to
BR-17, "Bleeding Brake System".
CAUTION:
Do not reuse drained brake fluid.
- Install the wheels and tires. Refer to WT-47, "Removal and
Installation".
Exploded View
WITHOUT BRAKE PEDAL POSITION SWITCH
Snap pin
Brake pedal assembly
Brake pedal pad
Stop lamp switch
Clip
Clevis pin
Apply multi-purpose grease.
WITH BRAKE PEDAL POSI ...
Exploded View
Reservoir cap
Oil strainer
Reservoir tank
Cylinder body
Pin
O-ring
Grommet
Apply brake fluid
PBC (Poly Butyl Cuprysil)
grease or
silicone-based grease
Remo ...
Other materials:
Control Units and Electrical Parts
PRECAUTIONS
Never reverse polarity of battery terminals.
Install only parts specified for a vehicle.
Before replacing the control unit, check the input and output and
functions of the component parts.
Do not apply excessive force when disconnecting a connector.
Do not apply exce ...
Turn signal lamp circuit
Description
The bcm monitors inputs from the combination switch to determine when to
activate the turn signals. The
bcm outputs voltage direction to the left and right turn signals during turn
signal operation or both during hazard
warning operation. The bcm sends a turn signal indicator req ...
Dlc branch line circuit
Diagnosis procedure
1.Check connector
Turn the ignition switch off.
Disconnect the battery cable from the negative terminal.
Check the terminals and connectors of the data link connector for
damage, bend and loose connection
(connector side and harness side).
Is the inspection resul ...
В© 2014-2026 Copyright b17.nisentra.com