Nissan Sentra Service Manual: Air cleaner and air duct
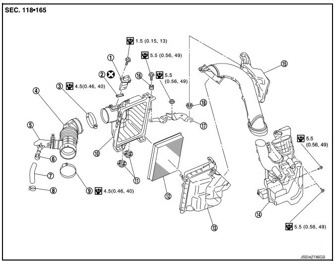
Exploded View

- Mass air flow sensor
- Mass air flow gasket
- Clamp
- Air duct (suction side)
- Resonator
- Clamp
- PCV hose
- Clamp
- Clamp
- Air cleaner cover
- Mounting rubber
- Air cleaner filter
- Air cleaner body
- Air duct inlet (lower)
- Air duct inlet (upper)
- Mounting rubber
- Bracket
- Grommet
Removal and Installation
REMOVAL
NOTE:
Mass air flow sensor is removable under the car-mounted condition.
- Remove engine room cover. Refer to EM-24, "Exploded View".
- Remove air duct inlet (upper).
- Remove air cleaner filter from the air cleaner cover.
- Disconnect mass air flow sensor harness connector, and remove harness
clamp from air cleaner body
assembly.
- Disconnect PCV hose and transaxle breather hose.
- Remove air cleaner body.
- Remove air duct (suction side).
- Add matching marks if necessary for easier installation.
- Remove air cleaner cover.
- Remove mass air flow sensor from air cleaner cover, if necessary.
CAUTION:
Handle the mass air flow sensor with following cares.
- Do not shock the mass air flow sensor.
- Do not disassemble the mass air flow sensor.
- Do not touch the sensor of the mass air flow sensor.
- Remove air duct inlet (lower) with the following procedure.
- Remove front combination lamp (LH). Refer to EXL-119, "Exploded View".
- Remove air duct inlet (lower).
INSTALLATION
CAUTION:
Do not reuse O-rings.
Installation is in the reverse order of removal.
- Align marks. Attach each joint. Screw clamps firmly.
- Tabs shall be fixed after inserting air cleaner body assembly protrusion
to air cleaner case notch hole.
- Make sure whether air cleaner body has been firmly installed by shaking
it.
Inspection
INSPECTION AFTER REMOVAL
Inspect air duct (suction side), air duct inlet (upper), air duct inlet
(lower) and resonator for crack or tear.
- If anything is found, replace air duct (suction side), air duct inlet
(upper), air duct inlet (lower) and resonator.
Exploded View
Engine room cover
Mounting rubber (Black)
Mounting rubber (Gray)
Removal and Installation
REMOVAL
CAUTION:
Do not damage or scratch engine room cover when installing o ...
Exploded View
Clamp
PCV hose
Bracket
Intake manifold gasket
Intake manifold
Mount rubber
Clamp
EVAP hose
EVAP canister purge volume
control solenoid valve
Electric throttl ...
Other materials:
Daytime light system inoperative
Description
The daytime light system is inoperative even though the combination switch
(lighting and turn signal switch)
and parking brake switch are in the normal setting, also whenever engine is
operating.
Diagnosis procedure
1.Check daytime light operation
Perform bcm(headlamp) daytim ...
Dtc/circuit diagnosis
U1000 can comm circuit
DTC Logic
DTC DETECTION LOGIC
CONSULT Display
DTC Detection Condition
Possible Cause
CAN COMM CIRCUIT
[U1000]
AV control unit is not transmitting or receiving
CAN communication signal for 2 seconds or
more.
CAN communication system.
...
NISSAN vehicle immobilizer system
The NISSAN Vehicle Immobilizer system will not
allow the engine to start without the use of the
registered key.
If the engine fails to start using a registered key
(for example, when interference is caused by
another registered key, an automated toll road
device or automatic payment device o ...
В© 2014-2026 Copyright b17.nisentra.com