Tire pressure monitoring system
With intelligent key
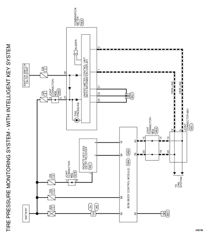
WITH INTELLIGENT KEY : Wiring Diagram



Without intelligent key
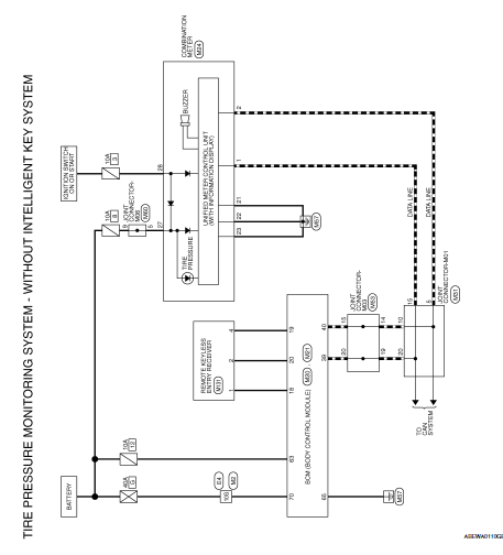
WITHOUT INTELLIGENT KEY : Wiring Diagram



ECU diagnosis information
Basic inspectionSensor power supply 2 circuit
Description
ECM supplies a voltage of 5.0 V to some of the sensors systematically divided
into 2 groups, respectively.
Accordingly, when a short circuit develops in a sensor power source, a
malfunction may occur simultaneously
in the sensors belonging to the same group as the shorted-circui ...
AIR Breather hose
Exploded View
Harness bracket
Clip
Air breather hose
Vehicle front
Always replace after every
disassembly.
Removal and Installation
REMOVAL
Remove clips from harness bracket
Remove air breather hose from transaxle assembly.
INSTALLATION
Installation is in the revers ...
P2119 Electric throttle control actuator
DTC Logic
DTC DETECTION LOGIC
DTC No.
CONSULT screen terms
(Trouble diagnosis content)
DTC detecting condition
Possible cause
P2119
ETC ACTR-B1
(Throttle actuator control
throttle body range/
performance)
A
Electric throttle control actuator does not f ...