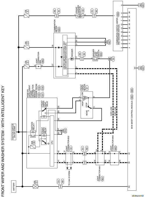
Wiper and washer system
Wiring diagram - with intelligent key





Wiring diagram - without intelligent ke
y





Ecu diagnosis information
Basic inspectionAudio system voice commands
To access the audio system voice commands:
Press the button.
Say “Audio”
Speak a command from the following available
commands:
Play (AM, FM, etc.)
Allows user to select radio band
Tune AM (number)
Allows user to tune directly to a desired AM
frequency
Tune FM (number)
...
Tire pressure
Tire Pressure Monitoring System
(TPMS)
This vehicle is equipped with the Tire
Pressure Monitoring System (TPMS). It
monitors tire pressure of all tires except
the spare. When the low tire pressure
warning light is lit and the CHECK TIRE
PRES warning is displayed in the odometer,
one or more ...
Nissan Customer care program
NISSAN CARES . . .
Both NISSAN and your NISSAN dealer are dedicated to serving all your
automotive needs. Your satisfaction with your vehicle and your NISSAN dealer are
our primary concerns. Your NISSAN dealer is always available to assist you with
all your automobile sales and service needs.
...