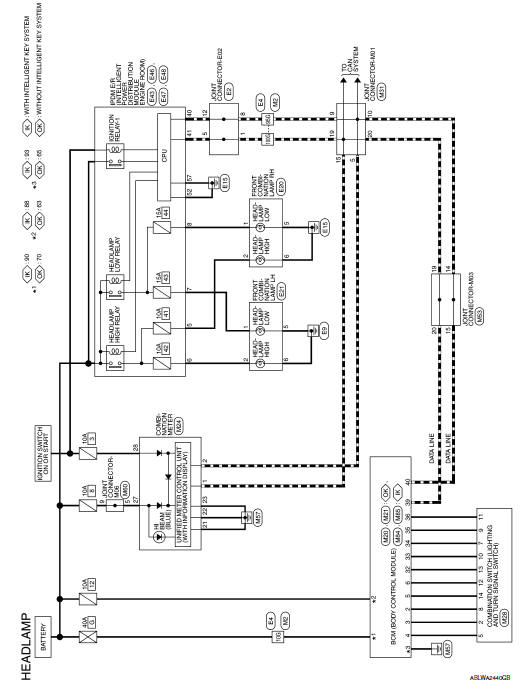
Headlamp
Wiring diagram





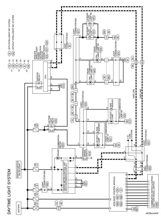
Daytime light system
Wiring diagram








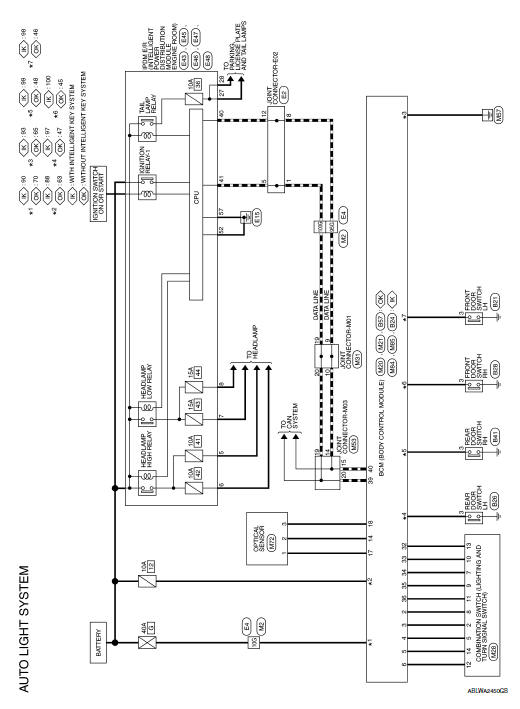
Auto light system
Wiring diagram







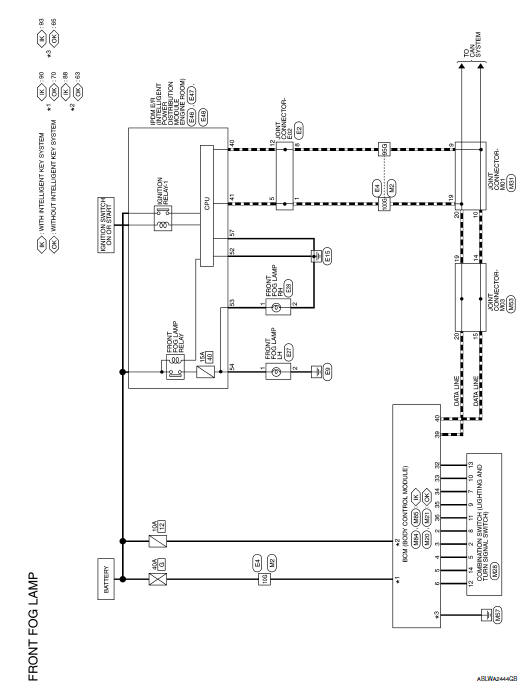
Front fog lamp
Wiring diagram





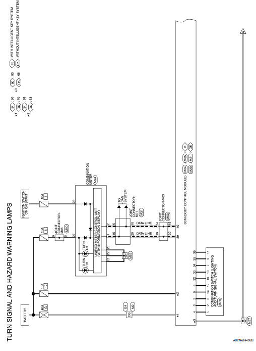
Turn signal and hazard warning lamps
Wiring diagram










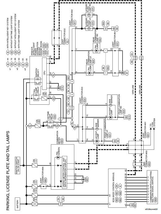
Parking, license plate and tail lamps
Wiring diagram








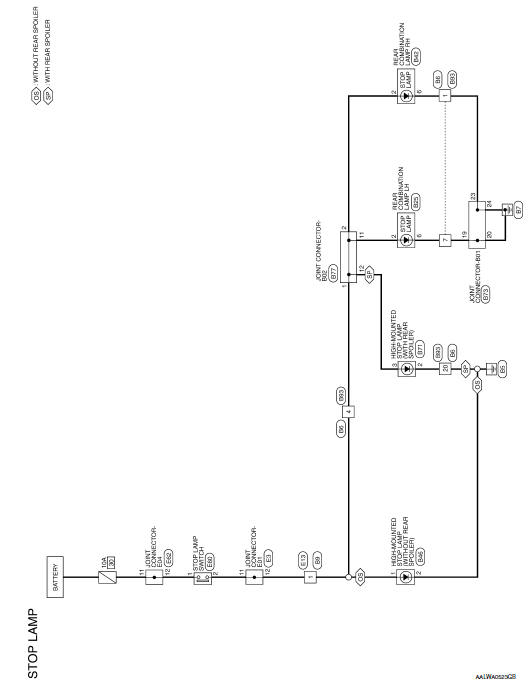
Stop lamp
Wiring diagram




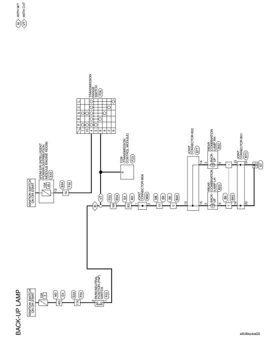
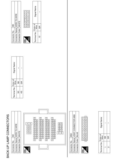
Back-up lamp
Wiring diagram





Ecu diagnosis information
Basic inspectionB1429 Seat belt buckle switch RH
Description
DTC B1429 SEAT BELT BUCKLE SWITCH RH
The air bag diagnosis sensor unit monitors the seat belt buckle switch RH
status. If the control unit detects an
open or short condition in the circuit, it will set the DTC.
PART LOCATION
Refer to SRC-5, "Component Parts Location".
D ...
P0998 Shift solenoid F
DTC Logic
DTC DETECTION LOGIC
DTC
CONSULT screen terms
(Trouble diagnosis content)
DTC detection condition
Possible causes
P0998
SHIFT SOLENOID F
(Shift Solenoid F Control Circuit
Low)
The TCM low brake solenoid valve current
monitor reading is 200 mA or ...
Precaution for Supplemental Restraint System (SRS) "AIR BAG" and "SEAT BELT
PRE-TENSIONER"
The Supplemental Restraint System such as “AIR BAG” and “SEAT BELT PRE-TENSIONER”,
used along
with a front seat belt, helps to reduce the risk or severity of injury to the
driver and front passenger for certain
types of collision. Information necessary to service the system ...