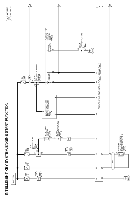
Intelligent key system/engine start function
Wiring diagram














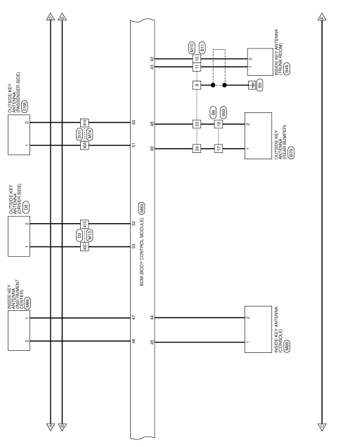
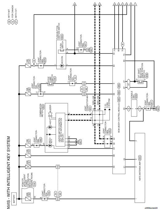
Nissan vehicle immobilizer systemnats
Wiring Diagram









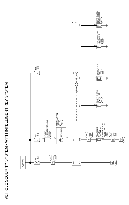
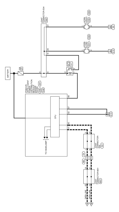
Vehicle security system
Wiring diagram










Ecu diagnosis information
Basic inspectionSystem description
Component parts
Component parts location
Front tweeter LH
Steering switches
Audio unit
Front tweeter RH
Microphone
Front door speaker LH
Front door speaker RH
Rear door speaker LH
Rear door speaker RH
Rear woofer RH
Rear woofer LH
Antenna amp.
Satellite antenna
Win ...
Main line between dlc and hvac circuit
Diagnosis Procedure
1.Check harness continuity (open circuit)
Turn the ignition switch OFF.
Disconnect the battery cable from the negative terminal.
Disconnect the following harness connectors.
Ecm
A/c auto amp.
Check the continuity between the data link connector and the a/c ...
Precaution
Precaution for supplemental restraint system (srs) "air bag" and "seat belt pre-tensioner"
The Supplemental Restraint System such as “AIR BAG” and “SEAT BELT PRE-TENSIONER”,
used along
with a front seat belt, helps to reduce the risk or severity of injury ...