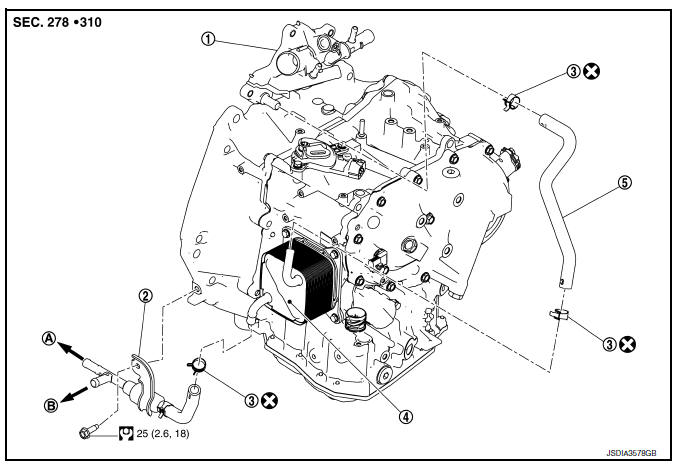
Exploded View

: Always replace after every
disassembly.
: NВ·m (kg-m, ft-lb)
Removal and Installation
REMOVAL
WARNING:
Do not remove the radiator cap when the engine is hot. Serious burns could occur from high-pressure coolant escaping from the radiator. Wrap a thick cloth around the cap. Slowly push down and turn it a quarter turn to allow built-up pressure to escape. Carefully remove the cap by pushing it down and turning it all the way.
CAUTION:
Perform these steps after the coolant temperature has cooled sufficiently.
NOTE:
When removing components such as hoses, tubes/lines, etc., cap or plug openings to prevent fluid from spilling.
INSTALLATION
Installation is in the reverse order of removal.
| Water hose (1) | Installation side tube (2) | Direction of paint mark | Hose insertion depth (L) |
| Heater thermostat assembly | CVT oil warmer | Frontward | (A): 27 mm (1.06 in) (Hose end reaches the 2-stage bulge.) |
| Water hose | CVT oil warmer | Frontward | |
| Water outlet | Frontward | B): 27 mm (1.06 in) (Hose end reaches the end of water outlet tube.) |

CAUTION:
| Water hose (1) | Installation side tube (2) | Hose clamp (3) | |
| Direction of tab | Clamping position | ||
| Heater thermostat assembly | CVT oil warmer | Frontward | (B): Align with the end of paint mark (C) |
| Water hose | CVT oil warmer | Frontward | (A): 5 – 7 mm (0.20 – 0.28 in) (L) from hose end |
| Water outlet | Frontward | ||

Inspection
INSPECTION AFTER REMOVAL
Heater Thermostat

Standard : Refer to TM-289, "Heater Thermostat".

INSPECTION AFTER INSTALLATION
Start the engine, and check the joints for coolant leakage.
Differential side oil seal
PlugNISSAN Voice Recognition System (if so
equipped)
The NISSAN Voice Recognition system allows
hands-free operation of the systems equipped on
this vehicle, such as the phone and navigation
systems.
To operate NISSAN Voice Recognition, press
the button located on the steering
wheel.
When prompted, speak the command for the
system you wi ...
Symptom diagnosis
Audio system
Symptom table
Related to audio
Related to hands-free phone
Before performing diagnosis, confirm that the cellular phone being used
by the customer is compatible with
the vehicle.
It is possible that a malfunction is occurring due to a version change
of the p ...
Low tire pressure warning lamp
Component Function Check
1.CHECK THE ILLUMINATION OF THE LOW TIRE PRESSURE WARNING LAMP
Check that the low tire pressure warning lamp is turned OFF after
illuminating for approximately 1 second,
when the ignition switch is turned ON.
Is the inspection result normal?
YES >> Inspection ...