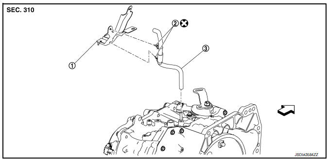
Exploded View

Vehicle front
Always replace after every
disassembly.
Removal and Installation
REMOVAL
INSTALLATION
Installation is in the reverse order of removal.
CAUTION:

TCM
G SensorU1000 CAN Comm circuit
Description
Can (controller area network) is a serial communication line for
real time application. It is an on-vehicle multiplex
communication line with high data communication speed and excellent error
detection ability. Many electronic
control units are equipped onto a vehicle, and each co ...
Environmental factors influence the rate of corrosion
Moisture
Accumulation of sand, dirt and water on the vehicle
body underside can accelerate corrosion.
Wet floor coverings will not dry completely inside
the vehicle and should be removed for drying to
avoid floor panel corrosion.
Relative humidity
Corrosion will be accelerated in areas of h ...
Vanity mirror lamp
Removal and installation
Caution:
Do not attempt to separate the vanity mirror lamp from the sun visor or
damage to the components
may occur.
Note:
The vanity mirror lamp is replaced as part of the sun visor. Refer to
int-40, "removal and installation".
Bulb or lens replacement
...