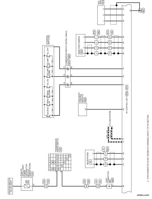
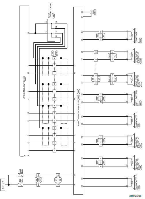
Navigation with bose
Wiring diagram
















Ecu diagnosis information
Basic inspectionB0001, B0002 Driver airbag module
Description
DTC B0001, B0002 DRIVER AIRBAG MODULE
The driver air bag module is dual stage and is wired to the air bag diagnosis
sensor unit through the spiral
cable. The air bag diagnosis sensor unit will monitor for opens and shorts in
detected lines to the driver air bag
module including t ...
Fuel filler cap warning system
SYSTEM DIAGRAM
SYSTEM DESCRIPTION
The fuel filler cap warning system alerts the driver to the prevention of the
fuel filler being left uncapped and
malfunction occurrences after refueling, by turning ON the fuel filler cap
warning display on the combination
meter.
ECM judges a refuele ...
Exterior and interior lights
* Always check with the Parts Department at a NISSAN dealer for the latest
parts information.
Map light
Interior light
Door mirror turn signal light
Headlight assembly
Fog light (if so equipped)
High-mount stop light
Trunk light
License plate light
Rear combination ligh ...