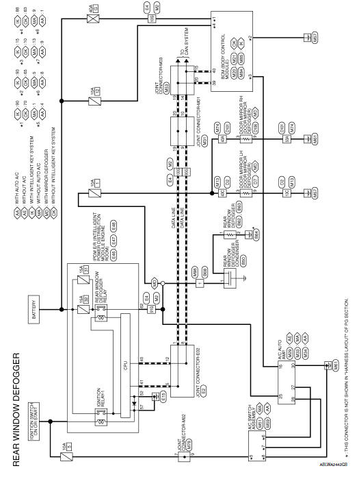
Rear window defogger system
Wiring diagram







Ecu diagnosis information
Basic inspectionAudio operation precautions
Compact disc (CD) player
CAUTION
Do not force a compact disc into the CD
insert slot. This could damage the CD
and/or CD player.
Trying to load a CD with the CD door
closed could damage the CD and/or CD
player.
Only one CD can be loaded into the CD
player at a time.
Only ...
Front manual seat adjustment
Forward and backward
Pull the center of the bar up and hold it while you
slide the seat forward or backward to the desired
position. Release the bar to lock the seat in
position.
Reclining
To recline the seatback, pull the lever up and lean
back. To bring the seatback forward, pull the ...
ID registration procedure
Description
This procedure must be performed after replacing wheels, transmitters or the
BCM, or rotating wheels.
Work Procedure
TPMS ID registration can be performed using one of the following procedures:
Transmitter Activation tool (J-45295-A) with CONSULT (preferred method)
Signal Tec ...