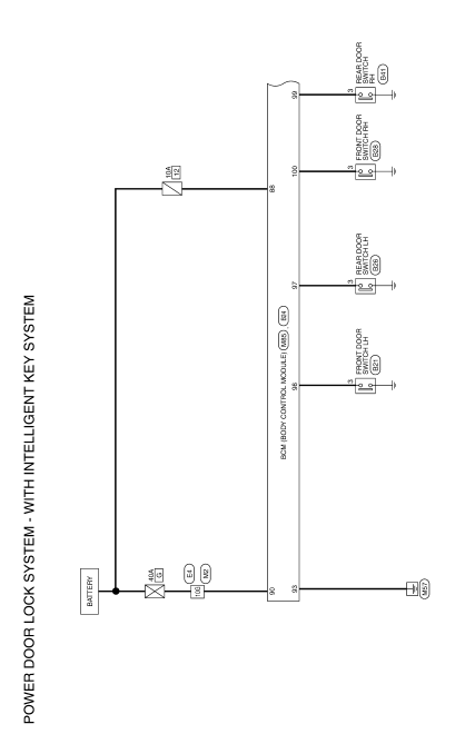
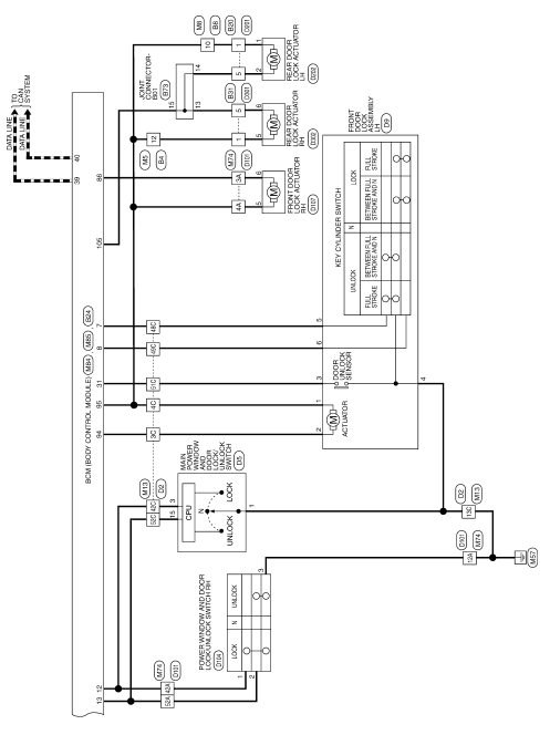
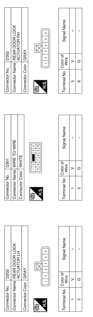
Power door lock system
Wiring diagram








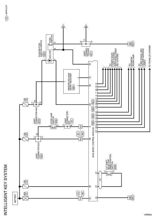
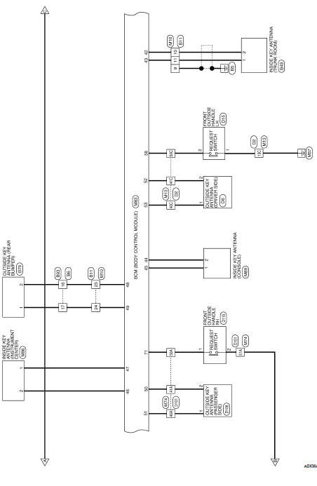
Intelligent key system
Wiring diagram














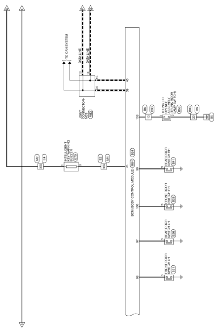
Trunk lid opener
Wiring diagram




ECU diagnosis information
Basic inspectionPower window and door lock/unlock switch RH
Removal and Installation
REMOVAL
Release the pawls using a suitable tool and lift the power window and
door lock/unlock switch RH and finisher
as an assembly and remove.
Disconnect the harness connector from the power window and door
lock/unlock switch RH.
Release the four pawls (tw ...
Front door glass
Removal and Installation
REMOVAL
WARNING:
Before servicing, turn ignition switch OFF, disconnect both
battery terminals and wait at least three
minutes.
Do not use air tools or electric tools for servicing.
NOTE:
LH front door panel shown; RH side similar
Disconnect the battery ...
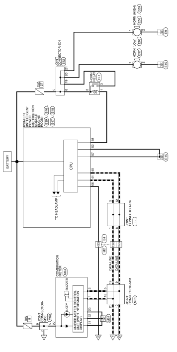
Dtc/circuit diagnosis
U1000 can comm circuit
Description
Refer to LAN-7, "CAN COMMUNICATION SYSTEM : System Description".
Dtc logic
Dtc detection logic
Consult display
Dtc detection condition
Possible cause
Can comm circuit
[u1000]
When ipdm e/r cannot communicate with can comm ...