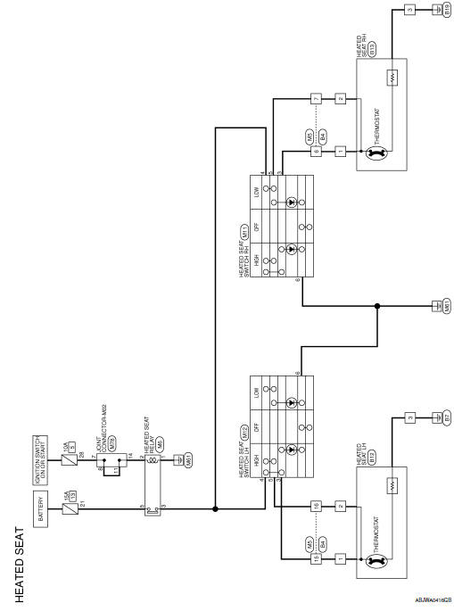
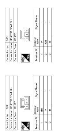
Heated seat
Wiring Diagram



Preparation
Symptom diagnosisService data and specifications (SDS)
Wheel Alignment (Unladen*1)
UNITED STATES and CANADA
*1: Fuel, engine coolant, and lubricants are full. Spare tire, jack, hand
tools, and mats are in designated positions.
*2: The difference when assuming the (LH) side is the standard.
Ball Joint
Wheelarch Height (Unladen*)
UNITED S ...
Battery saver output/power supply circuit
Description
Provides the battery saver output/power supply. Also cuts the power supply
when the interior lamp battery
saver is activated.
Component function check
1.Check battery saver output/power supply function
Consult
Turn ignition switch on.
Turn each interior lamp to the ON posit ...
TCM
Exploded View
Bracket
TCM
: Vehicle front
: NВ·m (kg-m, in-lb)
Removal and Installation
CAUTION:
When replacing TCM, note the “CVTF DETERIORATION DATE” value
displayed on CONSULT “CONFORM
CVTF DETERIORTN” in MAINTENANCE BOOKLET, before start the opera ...